特性
- Dual-Port allows simultaneous access of the same memory location
- Pipelined output mode
- Counter enable and repeat features
- Dual chip enables allow for depth expansion without additional logic
- Full synchronous operation on both ports
- Separate byte controls for multiplexed bus and bus matching compatibility
- LVTTL compatible, single 3.3V (±150mV) power supply for core
- LVTTL compatible, selectable 3.3V (±150mV) or 2.5V (±100mV) power supply for I/Os and control signals on each port
- Available in a 256-pin BGA, 208-pin fpBGA and 208-pin PQFP packages
- Industrial temperature range (-40°C to +85°C) is available
描述
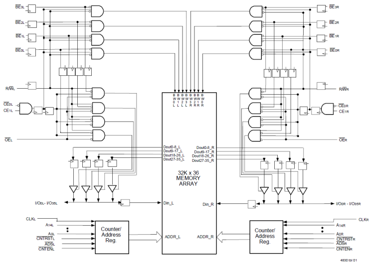
The 70V3579 is a high-speed 32K × 36 bit synchronous Dual-Port RAM that has been optimized for applications having unidirectional or bidirectional data flow in bursts. An automatic power down feature, controlled by CE0 and CE1, permits the on-chip circuitry of each port to enter a very low standby power mode. The 70V3579 can support an operating voltage of either 3.3V or 2.5V on one or both ports, controllable by the OPT pins. The power supply for the core of the device (VDD) is at 3.3V.
产品参数
| 属性 | 值 |
|---|---|
| Core Voltage (V) | 3.3 |
| Bus Width (bits) | 36 |
| Density (Kb) | 1152 |
| Pkg. Code | BC256, BCG256 |
| Interface | Sync |
| I/O Type | 3.3 V LVTTL, 2.5 V LVTTL |
| I/O Frequency (MHz) | 100 - 100, 133 - 133 |
| Temp. Range (°C) | -40 to 85°C, 0 to 70°C |
| Architecture | Dual-Port |
| Organization | 32K x 36 |
| Function | Counters, Dual Clocks |
| Output Type | Pipelined |
封装选项
| Pkg. Type | Pkg. Dimensions (mm) | Lead Count (#) | Pitch (mm) |
|---|---|---|---|
| CABGA | 17.0 x 17.0 x 1.4 | 256 | 1 |
当前筛选条件
加载中