| CAD 模型: | View CAD Model |
| Pkg. Type: | CABGA |
| Pkg. Code: | BC256 |
| Lead Count (#): | 256 |
| Pkg. Dimensions (mm): | 17.0 x 17.0 x 1.4 |
| Pitch (mm): | 1 |
| Pb (Lead) Free | No |
| Moisture Sensitivity Level (MSL) | 4 |
| ECCN (US) | |
| HTS (US) |
| Lead Count (#) | 256 |
| Pb (Lead) Free | No |
| Carrier Type | Tray |
| Moisture Sensitivity Level (MSL) | 4 |
| Architecture | Dual-Port |
| Bus Width (bits) | 36 |
| Core Voltage (V) | 3.3 |
| Density (Kb) | 1152 |
| Function | Counters, Dual Clocks |
| I/O Frequency (MHz) | 100 - 100 |
| I/O Type | 3.3 V LVTTL, 2.5 V LVTTL |
| Interface | Sync |
| Length (mm) | 17 |
| MOQ | 48 |
| Organization | 32K x 36 |
| Output Type | Pipelined |
| Package Area (mm²) | 289 |
| Pb Free Category | e0 |
| Pitch (mm) | 1 |
| Pkg. Dimensions (mm) | 17.0 x 17.0 x 1.4 |
| Pkg. Type | CABGA |
| Price (USD) | $118.12417 |
| Qty. per Carrier (#) | 90 |
| Qty. per Reel (#) | 0 |
| Requires Terms and Conditions | Does not require acceptance of Terms and Conditions |
| Tape & Reel | No |
| Temp. Range (°C) | 0 to 70°C |
| Thickness (mm) | 1.4 |
| Width (mm) | 17 |
| 已发布 | No |
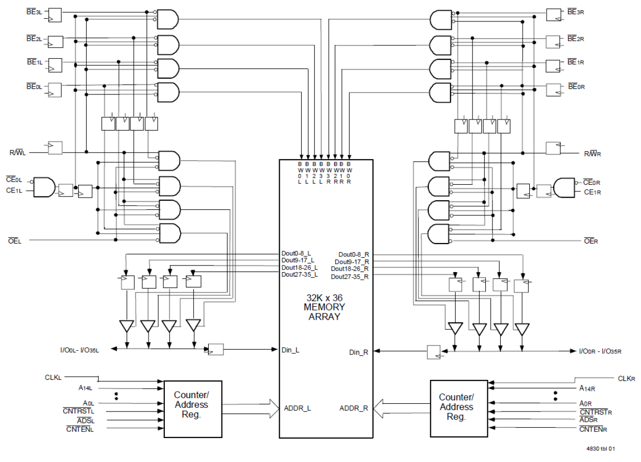
The 70V3579 is a high-speed 32K × 36 bit synchronous Dual-Port RAM that has been optimized for applications having unidirectional or bidirectional data flow in bursts. An automatic power down feature, controlled by CE0 and CE1, permits the on-chip circuitry of each port to enter a very low standby power mode. The 70V3579 can support an operating voltage of either 3.3V or 2.5V on one or both ports, controllable by the OPT pins. The power supply for the core of the device (VDD) is at 3.3V.