特性
- Dual-port allows simultaneous access of the same memory location
- Dual Chip Enables allow for depth expansion without external logic
- Easily expands data bus width to 36 bits or more
- Busy and Interrupt flags
- On-chip port arbitration logic
- Full on-chip hardware support of semaphore signaling between ports
- Fully asynchronous operation from either port
- Separate upper-byte and lower-byte controls for multiplexed bus and bus-matching compatibility
- LVTTL-compatible, single 3.3V (±0.3V) power supply
- Available in a 100-pin TQFP package
- Industrial temperature range (–40 °C to +85 °C) is available
描述
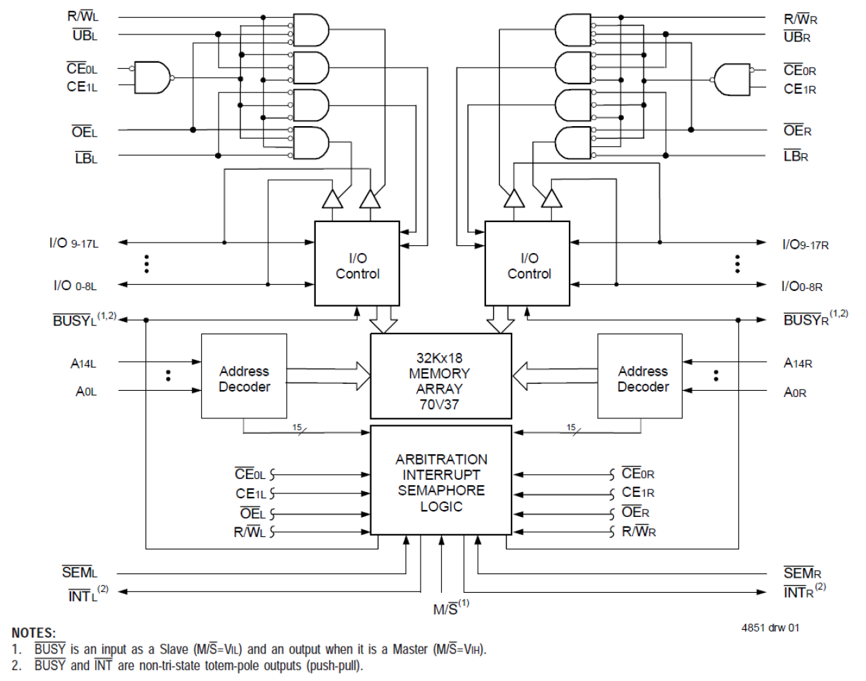
The 70V37 is a high-speed 32K x 18 dual-port static RAM designed to be used as a stand-alone 576K-bit dual-port RAM or as a combination Master/Slave dual-port RAM for 36-bit or more word systems. This Master/Slave approach in 36-bit or wider memory system applications results in full-speed, error-free operation without the need for additional discrete logic. An automatic power-down feature controlled by the Chip Enable (CE) permits the on-chip circuitry of each port to enter a very low standby power mode.
产品参数
| 属性 | 值 |
|---|---|
| Core Voltage (V) | 3.3 |
| Bus Width (bits) | 18 |
| Density (Kb) | 576 |
| Pkg. Code | PNG100 |
| Interface | Async |
| I/O Type | 3.3 V LVTTL |
| Access Time (ns) | 15 |
| Temp. Range (°C) | 0 to 70°C |
| Architecture | Dual-Port |
| Organization | 32K x 18 |
| Function | Busy, Interrupt, Master, Semaphore, Slave |
封装选项
| Pkg. Type | Pkg. Dimensions (mm) | Lead Count (#) | Pitch (mm) |
|---|---|---|---|
| TQFP | 14.0 x 14.0 x 1.4 | 100 | 0.5 |
当前筛选条件