| CAD 模型: | View CAD Model |
| Pkg. Type: | CABGA |
| Pkg. Code: | BC256 |
| Lead Count (#): | 256 |
| Pkg. Dimensions (mm): | 17.0 x 17.0 x 1.4 |
| Pitch (mm): | 1 |
| Pb (Lead) Free | No |
| Moisture Sensitivity Level (MSL) | 4 |
| ECCN (US) | |
| HTS (US) |
| Lead Count (#) | 256 |
| Pb (Lead) Free | No |
| Carrier Type | Tray |
| Moisture Sensitivity Level (MSL) | 4 |
| Access Time (ns) | 15 |
| Architecture | Dual-Port |
| Bus Width (bits) | 36 |
| Core Voltage (V) | 3.3 |
| Density (Kb) | 1152 |
| Function | Interrupt |
| I/O Type | 3.3 V LVTTL |
| Interface | Async |
| Length (mm) | 17 |
| MOQ | 48 |
| Organization | 32K x 36 |
| Package Area (mm²) | 289 |
| Pb Free Category | e0 |
| Pitch (mm) | 1 |
| Pkg. Dimensions (mm) | 17.0 x 17.0 x 1.4 |
| Pkg. Type | CABGA |
| Price (USD) | $118.12417 |
| Qty. per Carrier (#) | 90 |
| Qty. per Reel (#) | 0 |
| Requires Terms and Conditions | Does not require acceptance of Terms and Conditions |
| Tape & Reel | No |
| Temp. Range (°C) | 0 to 70°C |
| Thickness (mm) | 1.4 |
| Width (mm) | 17 |
| 已发布 | No |
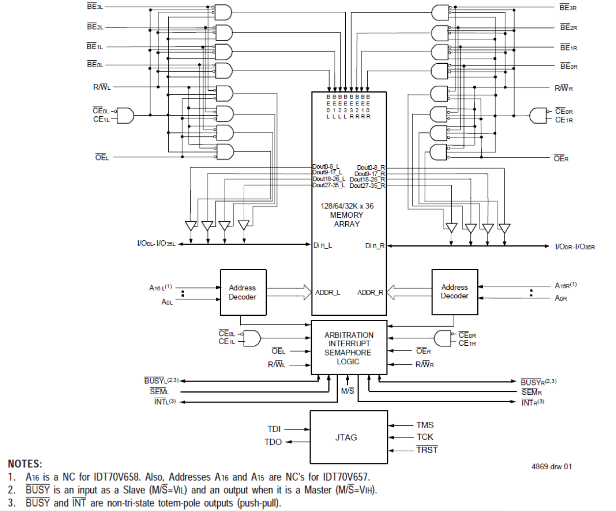
The 70V657 is a high-speed 32K x 36 Asynchronous Dual-Port Static RAM designed to be used as a stand-alone Dual-Port RAM or as a combination MASTER/ SLAVE Dual-Port RAM for 72-bit-or-more word system. Using the IDT MASTER/SLAVE Dual-Port RAM approach in 72-bit or wider memory system applications results in full-speed, error-free operation without the need for additional discrete logic. An automatic power down feature controlled by the chip enables (either CE0 or CE1) permit the on-chip circuitry of each port to enter a very low standby power mode.