| CAD 模型: | View CAD Model |
| Pkg. Type: | CABGA |
| Pkg. Code: | BC256 |
| Lead Count (#): | 256 |
| Pkg. Dimensions (mm): | 17.0 x 17.0 x 1.4 |
| Pitch (mm): | 1 |
| Pb (Lead) Free | No |
| Moisture Sensitivity Level (MSL) | 4 |
| ECCN (US) | |
| HTS (US) |
| Lead Count (#) | 256 |
| Pb (Lead) Free | No |
| Carrier Type | Tray |
| Moisture Sensitivity Level (MSL) | 4 |
| Architecture | BankSwitchable |
| Bus Width (bits) | 18 |
| Core Voltage (V) | 3.3 |
| Density (Kb) | 9216 |
| Function | JTAG |
| I/O Frequency (MHz) | 166 - 166 |
| I/O Type | 3.3 V LVTTL, 2.5 V LVTTL |
| Interface | Sync |
| Length (mm) | 17 |
| MOQ | 24 |
| Organization | 512K x 18 |
| Output Type | Flowthrough, Pipelined |
| Package Area (mm²) | 289 |
| Pb Free Category | e0 |
| Pitch (mm) | 1 |
| Pkg. Dimensions (mm) | 17.0 x 17.0 x 1.4 |
| Pkg. Type | CABGA |
| Qty. per Carrier (#) | 90 |
| Qty. per Reel (#) | 0 |
| Requires Terms and Conditions | Does not require acceptance of Terms and Conditions |
| Tape & Reel | No |
| Temp. Range (°C) | -40 to 85°C |
| Thickness (mm) | 1.4 |
| Width (mm) | 17 |
| 已发布 | No |
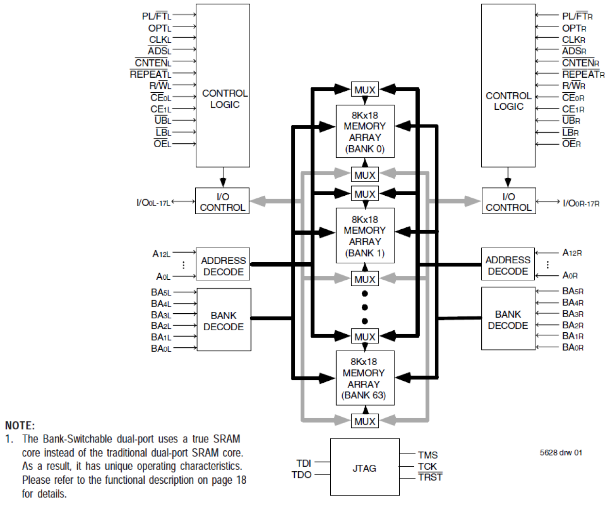
The 70V7339 high-speed 512K x 18 (9Mbit) synchronous bank-switchable dual-ported SRAM is organized into 64 independent 8K x 18 banks and has two independent ports with separate control, address, and I/O pins for each port, allowing each port to access any 8K x 18 memory block not already accessed by the other port. An automatic power-down feature, controlled by CE0 and CE1, permits the on-chip circuitry of each port to enter a very low standby power mode.