跳转到主要内容
瑞萨电子 (Renesas Electronics Corporation)
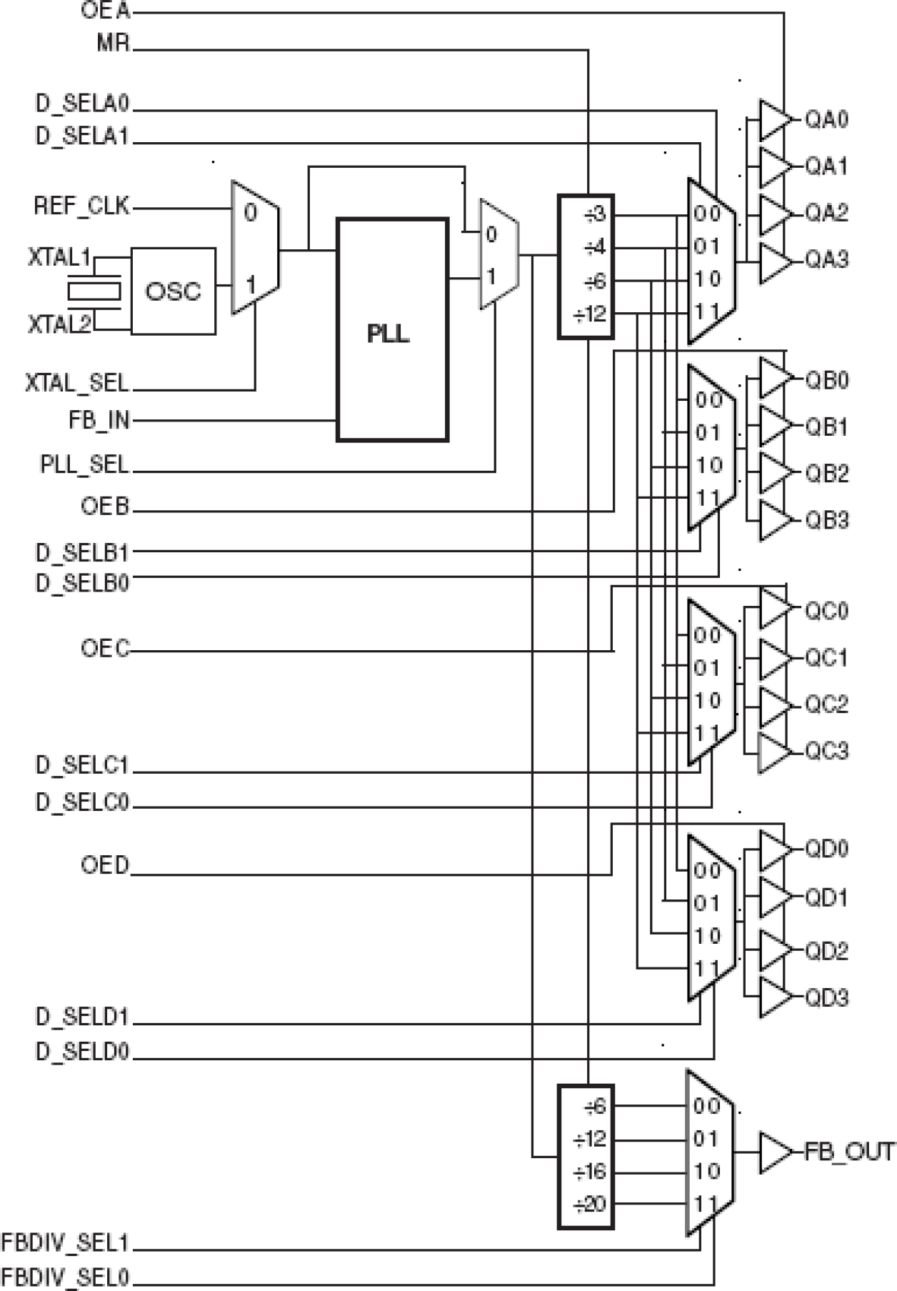
Low Voltage,Low Skew,PCI/PCI-X Clock Generator

封装信息

CAD 模型:View CAD Model
Pkg. Type:TQFP
Pkg. Code:PPG64
Lead Count (#):64
Pkg. Dimensions (mm):10.0 x 10.0 x 1.4
Pitch (mm):0.5

环境和出口类别

Moisture Sensitivity Level (MSL)3
Pb (Lead) FreeYes
ECCN (US)EAR99
HTS (US)8542.39.0090

产品属性

Lead Count (#)64
Carrier TypeTray
Moisture Sensitivity Level (MSL)3
Qty. per Reel (#)0
Qty. per Carrier (#)160
Pb (Lead) FreeYes
Pb Free Categorye3 Sn
Temp. Range (°C)0 to 70°C
Advanced FeaturesFeedback Input
App Jitter CompliancePCI/PCI-X
C-C Jitter Max P-P (ps)70
Core Voltage (V)3.3
Feedback InputYes
Input Freq (MHz)10 - 83.33
Input TypeCrystal, LVCMOS
Inputs (#)2
Length (mm)10
MOQ160
Output Banks (#)5
Output Freq Range (MHz)10 - 166.67
Output Skew (ps)230
Output TypeLVCMOS, LVTTL
Output Voltage (V)2.5V, 3.3V
Outputs (#)17
Package Area (mm²)100
Period Jitter Max P-P (ps)17
Pitch (mm)0.5
Pkg. Dimensions (mm)10.0 x 10.0 x 1.4
Pkg. TypeTQFP
Product CategoryZero Delay Buffers
Prog. ClockNo
Requires Terms and ConditionsDoes not require acceptance of Terms and Conditions
Tape & ReelNo
Thickness (mm)1.4
Width (mm)10

描述

The 8761 is a low voltage, low skew PCI / PCI-X Clock Generator. The 8761 has a selectable REF_CLK or crystal input. The REF_CLK input accepts LVCMOS or LVTTL input levels. The 8761 has a fully integrated PLL along with frequency configurable clock and feedback outputs for multiplying and regenerating clocks with "zero delay". Using a 20MHz or 25MHz crystal or a 33.333MHz or 66.666MHz reference frequency, the 8761 will generate output frequencies of 33.333MHz, 66.666MHz, 100MHz and 133.333MHz simultaneously. The low impedance LVCMOS/LVTTL outputs of the 8761 are designed to drive 50Ω series or parallel terminated transmission lines.