特性
- Two differential reference clock input pairs
- Differential input pairs can accept the following input levels: LVPECL, LVDS, HCSL, HSTL, and single-ended
- Crystal oscillator interface
- Crystal input frequency range: 10MHz to 40MHz
- Maximum output frequency:
- LVPECL – 1.5GHz
- LVDS – 1.5GHz
- HCSL – 250MHz
- LVCMOS – 250MHz
- Two banks, each has two differential output pairs that can be configured as LVPECL, LVDS, or HCSL
- One single-ended reference output with synchronous enable to avoid clock glitch
- Output skew: 81ps (maximum), Bank A and Bank B at the same output level
- Part-to-part skew: 200ps (typical), design target
- Additive RMS phase jitter at 156.25MHz, (12kHz–20MHz): 37.6fs (typical), 3.3V/3.3V
- Supply voltage modes:
- VDD/VDDO
- 3.3V/3.3V
- 3.3V/2.5V
- 2.5V/2.5V
- -40 °C to 85 °C ambient operating temperature
- 5mm × 5mm 32-VFQFPN lead-free (RoHS 6) packaging
描述
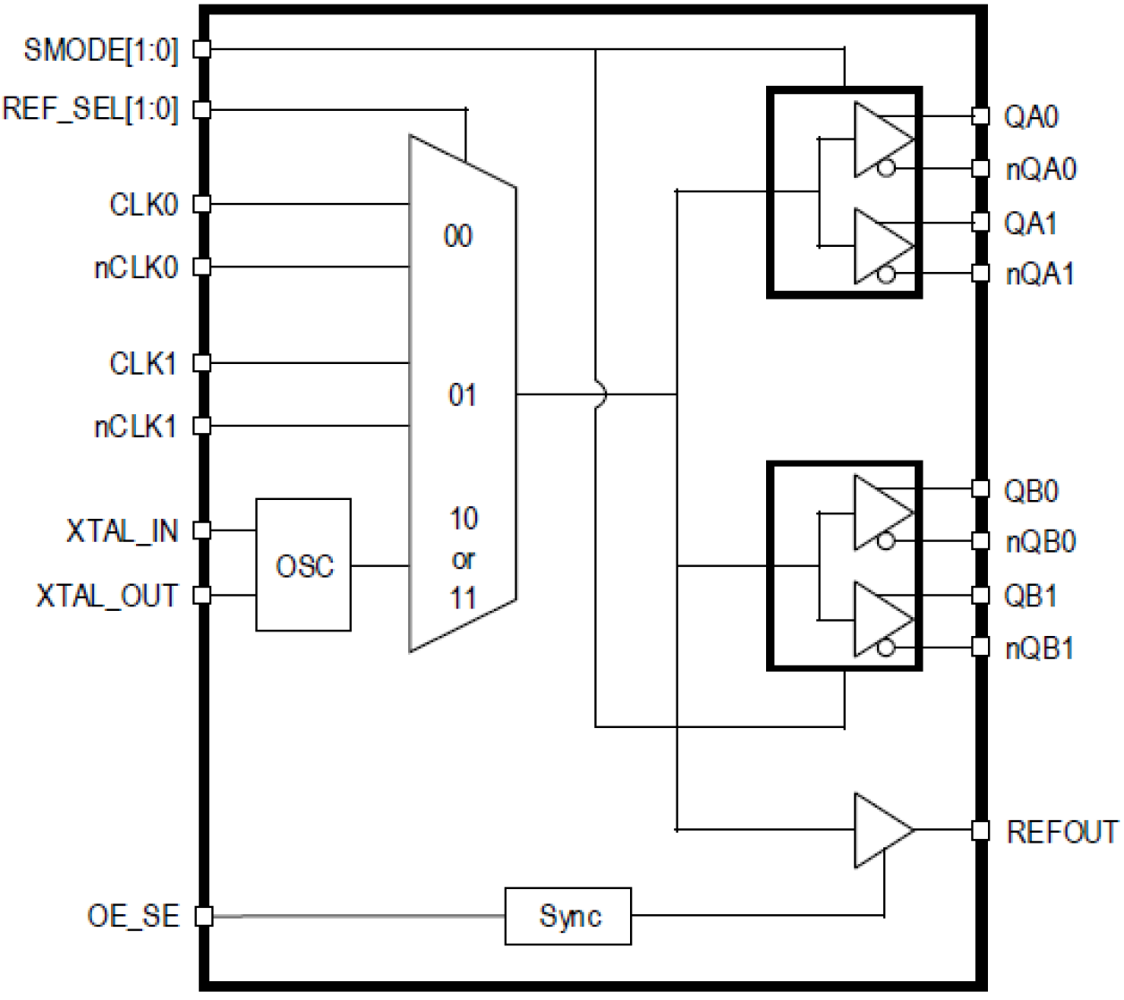
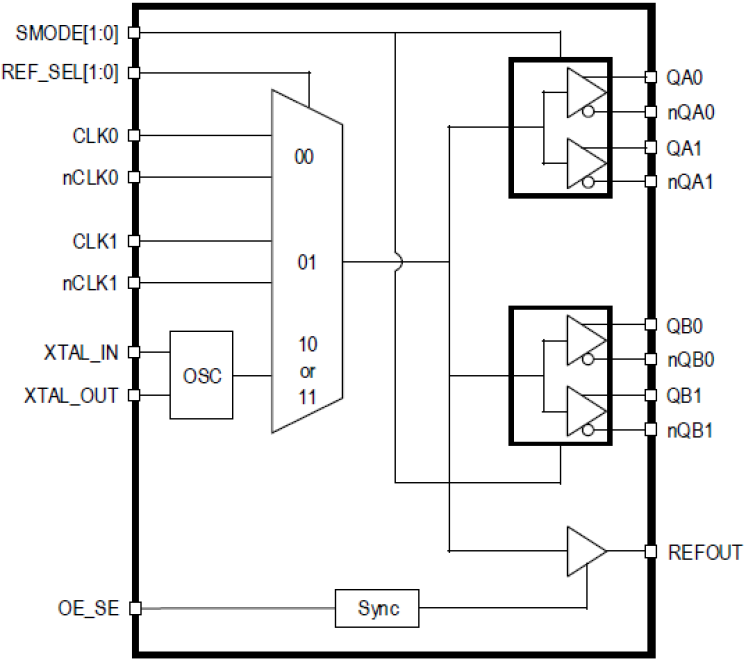
The 8T39204 is a high-performance clock fanout buffer. The input clock can be selected from two differential inputs or one crystal input. The internal oscillator circuit is automatically disabled if the crystal input is not selected. The crystal pin can be driven by a single-ended clock. The selected signal is distributed to four differential outputs which can be configured as LVPECL, LVDS, or HCSL outputs. In addition, an LVCMOS output is provided. All outputs can be disabled into a high-impedance state. The device is designed for a signal fanout of high-frequency, low phase-noise clock and data signal. The outputs are at a defined level when inputs are open or tied to ground. It is designed to operate from a 3.3V or 2.5V core power supply, and either a 3.3V or 2.5V output operating supply.
产品参数
| 属性 | 值 |
|---|---|
| Function | Buffer |
| Outputs (#) | 4 |
| Output Type | HCSL, LVDS, LVPECL |
| Output Freq Range (MHz) | 0 - 1500 |
| Input Type | Crystal, HCSL, LVDS, LVPECL, HSTL, LVCMOS |
| Output Banks (#) | 2 |
| Output Voltage (V) | 2.5, 3.3 |
| Output Skew (ps) | 81 |
| Additive Phase Jitter Typ RMS (fs) | 37.6 |
| Prog. Interface | Pin select |
封装选项
| Pkg. Type | Pkg. Dimensions (mm) | Lead Count (#) | Pitch (mm) |
|---|---|---|---|
| VFQFPN | 5.0 x 5.0 x 0.9 | 32 | 0.5 |
当前筛选条件
筛选
软件与工具
样例程序
模拟模型
新闻和博客
博客
2018年12月15日
|