特性
- Extremely low additive phase jitter; supports DB400H requirements
- 3.3V operation; standard industry power supply
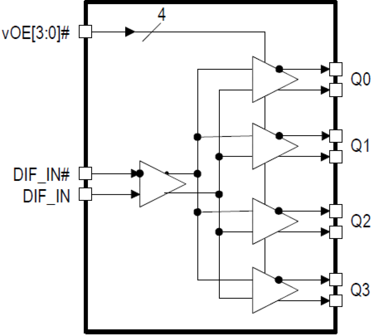
- 4 OE pins (1 for each output); easy control of clocks to CPU sockets
- HCSL-compatible input; supports popular devices
- 1MHz to 350MHz operating frequency; covers all popular Ethernet frequencies
- Space saving 4mm × 4mm 24-VFQFPN; minimal board space
描述
The 9INT31H400 is a 4-output very high-performance HCSL fanout buffer for high-performance interconnect applications. It can be used at speeds up to 350MHz and is compliant with the DB400H specification. There are four OE pins on the device, each controlling one output.
产品参数
| 属性 | 值 |
|---|---|
| Function | Buffer |
| Outputs (#) | 4 |
| Output Type | HCSL |
| Output Freq Range (MHz) | 1 - 350 |
| Input Type | HCSL |
| Output Banks (#) | 4 |
| Output Voltage (V) | 0.8 |
| Output Skew (ps) | 26 |
| Additive Phase Jitter Typ RMS (fs) | 61 |
封装选项
| Pkg. Type | Pkg. Dimensions (mm) | Lead Count (#) | Pitch (mm) |
|---|---|---|---|
| VFQFPN | 4.0 x 4.0 x 0.9 | 24 | 0.5 |
应用
- DB400H
当前筛选条件
加载中