特性
- Slew rate: 35V/μs
- Wide gain bandwidth (AV ≥ 10): 120MHz
- Low noise: 3.2nV/√Hz at 1kHz
- Low VOS: 30μV
- High CMRR: 120dB
- High gain: 1500V/mV
描述
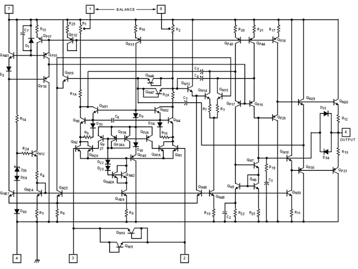
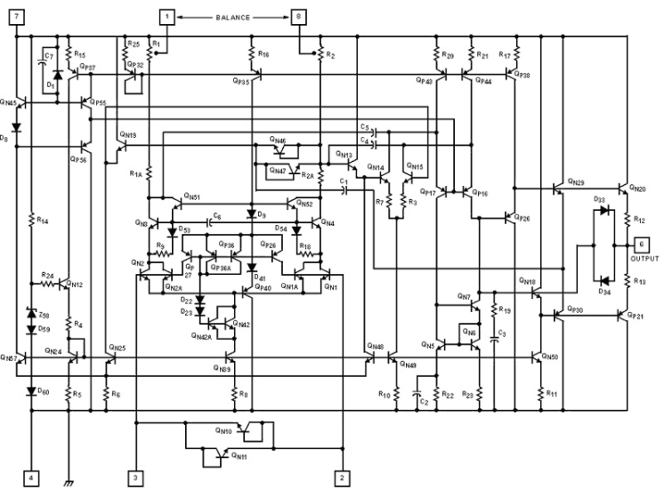
The HA-5147 operational amplifier features an unparalleled combination of precision DC and wideband High-Speed characteristics. Utilizing the Intersil D. I. technology and advanced processing techniques, this unique design unites low noise (3. 2nV/√Hz) precision instrumentation performance with High-Speed (35V/μs) wideband capability. This amplifier’s impressive list of features include low VOS (30mV), wide gain bandwidth (120MHz), high open loop gain (1500V/mV) and high CMRR (120dB). Additionally, this flexible device operates over a wide supply range (±5V to ±20V) while consuming only 140mW of power. Using the HA-5147 allows designers to minimize errors while maximizing speed and bandwidth in applications requiring gains greater than ten. This device is ideally suited for low level transducer signal amplifier circuits. Other applications which can utilize the HA-5147’s qualities include instrumentation amplifiers, pulse or RF amplifiers, audio preamplifiers and signal conditioning circuits. This device can easily be used as a design enhancement by directly replacing the 725, OP25, OP06, OP07, OP27 and OP37 where gains are greater than ten.
产品参数
| 属性 | 值 |
|---|---|
| Rating | Harsh Environment |
| Bandwidth (MHz) | 120 |
| Channels (#) | 1 |
| CMRR (dB) | 120 |
| IOUT (mA) | 0.025 |
| IS per Amp (mA) | 3.5 |
| Noise VN (nV/√Hz) | 3.2 |
| Offset Voltage (max) | 30µV |
| PSRR (db) | 96 |
| Rail-to-Rail Input/Output | No |
| Slew Rate (V/µs) | 35 |
| Supply Voltage (min) (V) | 10 - 10 |
| Supply Voltage (max) (V) | 40 - 40 |
| Temp. Range (°C) | -55 to +125°C |
| Flow | Harsh Environment & MIL-STD-883 |
| Qualification Level | Standard |
| Die Sale Availability? | No |
| PROTO Availability? | No |
封装选项
| Pkg. Type | Pkg. Dimensions (mm) | Lead Count (#) | Pitch (mm) |
|---|---|---|---|
| CERDIP | 9.7 x 6.3 x 0.00 | 8 | 2.5 |
应用
- High Speed Signal Conditioners
- Wide Bandwidth Instrumentation Amplifiers
- Low Level Transducer Amplifiers
- Fast, Low Level Voltage Comparators
- Highest Quality Audio Preamplifiers
- Pulse/RF Amplifiers
- For Further Design Ideas See Application Note AN553
当前筛选条件