特性
- SMBus/PMBus/I2C Compatible
- Programmable IMAX, TMAX, BOOT, and address
- Programmable soft-start rate and DVID rate
- Up to 1.5MHz
- NVM to store up to 8 Configurations with programmable frequency, droop, auto, faults (OCP, UVP, CFP), etc.
- No firmware requirement and hassle
- Advanced Linear EAPP Digital control scheme (patented)
- Digitally programmable compensation
- Auto phase shedding option for greener environment
- Variable frequency control during load transients to reduce beat frequency oscillation
- Linear control with evenly distributed PWM pulses for better phase current balance during load transients
- Voltage feed-forward and ramp adjustable options
- High frequency compensation option
- Active phase adding and dropping for enhanced light load efficiency
- Phase doubler and coupled-inductor compatibility
- Differential remote voltage sensing with ±0.5% accuracy
- Programmable minimum phase count operation
- Programmable slew rate of dynamic VID with dynamic VID compensation (DVC)
- Support 3-state 5V or 3.3V PWM DrMOS and driver
- Zero current shutdown with ISL6627
- Precision resistor or DCR differential current sensing
- Accurate load-line (Droop) programming and control
- Accurate current monitoring and channel-current balancing with calibration capability
- True input current sensing for catastrophic failure protection
- Average overcurrent protection and channel current limiting
- High common mode current sense input (VCC-1.5V)
- Open sensing and single point of loop failure protection
- Thermal monitoring and integrated compensation
- 1- to 6-Phase option and up to 2MHz per phase
- Start-up into precharged load
- Pb-free (RoHS Compliant)
- 40 Ld 5x5 Plastic Package
描述
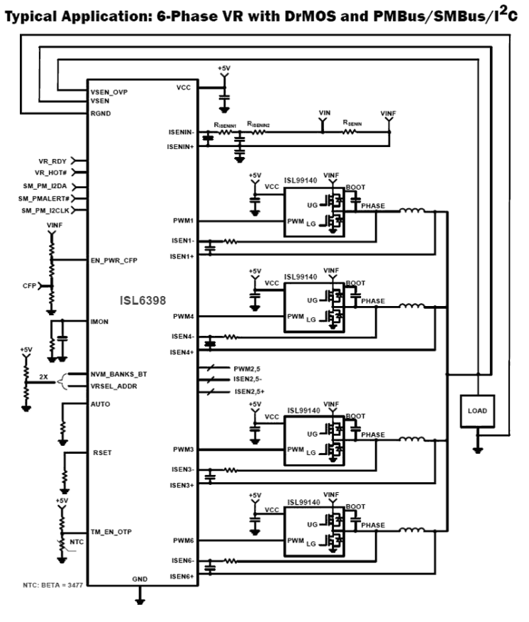
The ISL6398 is a smart and smallest 6-Phase Green PWM controller, designed for networking, data center, and POL applications. It includes programmable functions and telemetries for easy use and system flexibility using SMBus, PMBus, or I2C interface, which is designed to program NVM banks up to 8 different compensations and system parameters. This minimizes external components and significantly reduces design complexity and PCB area, and simplifies the manufacturing process. The ISL6398 utilizes Intersil’s proprietary Advanced Linear EAPP (Enhanced Active Pulse Positioning) Digital control scheme to achieve the extremely fast linear transient response with fewer output capacitors and overcomes many hurdles of traditional digital approach, which uses non-linear, discrete control method for both voltage loop and current balance loop and runs into beat frequency oscillation and non-linear response. The ISL6398 accurately monitors the load current via the IMON pin and reports this information via the READ_IOUT register for power management. The ISL6398 features auto-phase shedding. In low power operation, the magnetic core and switching losses are significantly reduced with lower phase count operation, yielding high efficiency at light load. When APA is triggered, the dropped phase(s) are added back to sustain heavy load transient response and efficiency. It optimizes the efficiency from light to full load for Greener Environment without sacrificing the transient performance. The ISL6398 senses the output current continuously by a dedicated current sense resistor or the DCR of the output inductor. The sensed current flows through a digitally programmable 1% droop resistor for precision load line control. Current sensing circuits also provide the needed signals for channel-current balancing, average overcurrent protection and individual phase current limiting. The TM pin senses an NTC thermistor’s temperature, which is internally digitized for thermal monitoring and for integrated thermal compensation of the current sense elements of the regulator. The ISL6398 features remote voltage sensing and completely eliminates any potential difference between remote and local grounds. This improves regulation and protection accuracy. The threshold-sensitive enable input is available to accurately coordinate the start-up of the ISL6398 with other voltage rails.
产品参数
| 属性 | 值 |
|---|---|
| Outputs (Max) (#) | 1 |
| Phases (Max) | 6 (24 with Doubler) |
| Input Voltage (Min) (V) | 4.75 |
| Input Voltage (Max) (V) | 5.25 |
| Output Voltage (Min) (V) | 0.25 |
| Output Voltage (Max) (V) | 3.04 |
| Output Current (Max) [Rail 1] (A) | 400 |
| Bias Voltage Range (V) | 4.75 - 5.25 |
| Parametric Applications | High efficiency and high density digital power |
| Qualification Level | Standard |
| Temp. Range (°C) | -40 to +85°C |
封装选项
| Pkg. Type | Pkg. Dimensions (mm) | Lead Count (#) | Pitch (mm) |
|---|---|---|---|
| TQFN | 5.0 x 5.0 x 0.75 | 40 | 0.4 |
应用
- High efficiency and high density digital power
- High performance multi-phase POL and network
- Cloud Computing, Router, Data Center and Storage
- General processor power
当前筛选条件