特性
- 符合瑞萨电子耐辐射筛选和 QCI 流程标准(技术简介)
- 8 个缓冲差分模拟输入通道,带多路复用器
- 具有可选增益的可旁路 PGA(1 ≤ G ≤ 16)
- 全差分双极操作
- 通道扫描定序器
- 全吞吐率,无数据延迟
- 出色的线性度:±0.2 LSB DNL,±0.4 LSB INL
- 低噪声:83.2dBFS(PGA 旁路),77dBFS SNR(PGA 增益= 2)
- 5V AVCC 电源和 2.5V/3.3V DVCC 电源
- 模拟输入阻抗:>1GΩ、<5pF
- 50MHz -3dB 宽输入带宽
- 低功耗模式操作,采样率较低
- 高速 SPI 兼容串行 I/O
- 全军用温度范围工作 TA = -55 °C 至 +125 °C
- TID 辐射批量验收测试 (LDR: 0.01rad(Si)/s)
- ISL71148M30NZ:30krad (Si)
- ISL71148M50NZ:50krad (Si)
- SEE 特征
- 在 46MeV•cm 2/mg 条件下,AVCC =6.2V、DVCC = 4.6V 和 VREF = 3.6V 时无 DSEE
- 在 46MeV•cm2/mg 条件下,SEFI <3.1μm2
描述
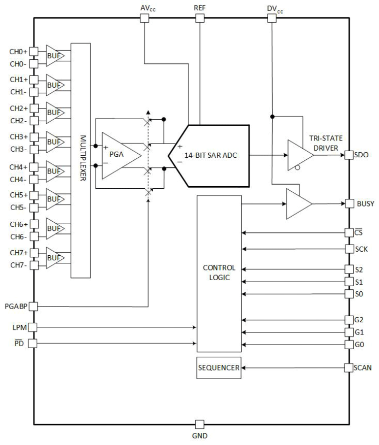
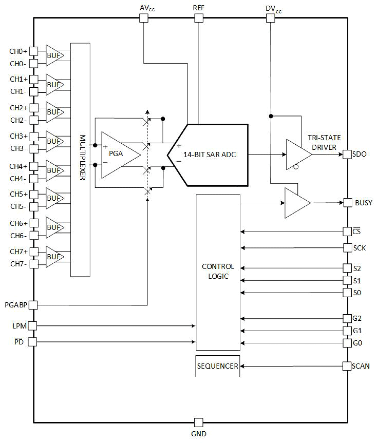
ISL71148M 是一款耐辐射的 8 通道高精度 14 位 900/480ksps SAR 模数转换器(ADC)。 ADC 内核前面有 8 个全差分模拟输入通道、一个缓冲的 8 对 1 多路复用器和一个可编程增益放大器(PGA)。 该器件在 900ksps 频率下工作时具有 83.2dBFS 的峰值 SNR。 启用 PGA 后,可支持高达 480ksps 的采样速率。 可绕过 PGA,将采样速率提高到 900ksps。
该产品具有 900/480ksps 的吞吐量、出色的线性度和动态精度,且没有数据延迟。 ISL71148M 提供兼容 SPI 的高速串行接口,使用独立的数字 I/O 电源引脚,支持 2.2V 至 3.6V 的逻辑电压。 该器件采用 48 引脚薄型四方扁平封装 (TQFP) 太空塑料制成。
ISL71148M 提供单独的低功耗模式(LPM)引脚,可在较低采样速率下降低功耗。 输入范围为 2.4V 至 2.6V 的外部基准电压源决定了模拟输入信号范围。
产品参数
| 属性 | 值 |
|---|---|
| Rating | Space |
| ADC | SAR |
| Analog Supply Voltage (V) | 4.5 - 5.5 |
| Channels (#) | 8 |
| Conversion Rate (Max) (kSPS) | 900 |
| Differential NonLinearity LSB | 0.2 |
| Integral NonLinearity LSB | 0.4 |
| Power Consumption (mW) | 90 |
| Resolution (bits) | 14 |
| SFDR (dBs) | 100 |
| Shutdown Mode | No |
| Temp. Range (°C) | -55 to +125°C |
| TID LDR (krad(Si)) | 30, 50 |
| DSEE (MeV·cm2/mg) | 43 |
| Flow | RT Plastic |
| Qualification Level | Radiation Tolerant Plastic |
| Die Sale Availability? | No |
| PROTO Availability? | No |
封装选项
| Pkg. Type | Pkg. Dimensions (mm) | Lead Count (#) | Pitch (mm) |
|---|---|---|---|
| TQFP | 7.0 x 7.0 x 1.00 | 48 | 0.5 |
应用
- 精密信号处理
- 推进、有效载荷系统
- 高端工业
- 发动机控制
- 井下钻探
当前筛选条件
加载中