特性
- Production testing and qualification follow AS6294/1
- 100V, 7.5mΩ eGaN FET with integrated 4.5V gate driver
- Wide driver bias range of 4.5V to 13.2V
- Up to 16.5V logic inputs (regardless of VDD level)
- Inverting and non-inverting inputs
- Integrated driver optimized for enhancement-mode GaN FETs
- Internal 4.5V regulated gate drive voltage
- Full military temperature range operation
- TA = -55 °C to +125 °C
- TJ = -55 °C to +150 °C
- Radiation hardness assurance (lot-by-lot)
- Low dose rate (0.01rad(Si)/s): 75krad(Si)
- SEE hardness for Driver (see the SEE test report)
- No SEB/L LETTH, VDD = 16.5V: 86MeV•cm2/mg
- No SET, LETTH, VDD = 13.2V: 86MeV•cm2/mg
- SEE hardness for GaN FET (see the SEE test report)
- No SEB/L LETTH, VDS = 100V: 86MeV•cm2/mg
描述
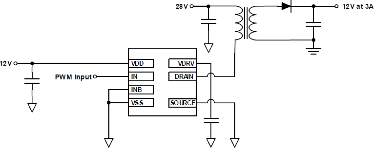
The ISL73033SLHM is a radiation hardened 100V Gallium Nitride (GaN) FET with an integrated low-side GaN FET driver. The GaN FET are capable of providing up to 45A output and have an RDSON as low as 7.5mΩ. The integrated low-side GaN FET driver has a supply range from 4.5V to 13.2V and can accept logic levels up to 14.7V, regardless of the supply voltage. The ISL73033SLHM has a propagation delay of 42ns, enabling high switching frequency for better power conversion efficiency. The ISL73033SLHM is characterized over the full military temperature range from -55 °C to +125 °C and receives screening similar to QMLV devices. The device is offered in an 81-lead Ball Grid Array (BGA) plastic package.
产品参数
| 属性 | 值 |
|---|---|
| Rating | Space |
| Gate Drive (V) | 4.5 |
| VDS (V) | 100 |
| RDSON (Typ) (mΩ) | 7.5 |
| Input Voltage (Min) (V) | 4.5 |
| Input Voltage (Max) (V) | 13.2 |
| VIH (V) | 1.7 |
| VIL (V) | 1.4 |
| Temp. Range (°C) | -40 to +125°C |
| TID LDR (krad(Si)) | 75 |
| DSEE (MeV·cm2/mg) | 86 |
| Flow | RH Plastic |
| Qualification Level | PEMS (RH Plastic) |
| Die Sale Availability? | No |
| PROTO Availability? | Yes |
封装选项
| Pkg. Type | Pkg. Dimensions (mm) | Lead Count (#) | Pitch (mm) |
|---|---|---|---|
| FBGA | 8.0 x 8.0 x 1.36 | 81 | 0.8 |
当前筛选条件
加载中