特性
Qualified to Renesas Rad Hard QML-V Equivalent Screening and QCI Flow (R34TB0001EU)
- All screening and QCI are in accordance with MIL-PRF-38535 Class-V
- Wide operating voltage range
- Input: 4.5V to 19V
- Output: VREF to PVIN×((TSW-107ns)/TSW)
- Output switching frequency range
- 250kHz to 1.5MHz
- Optional droop regulation
- Current mode control provides
- Excellent power supply rejection
- Simplified control scheme
- Differential output remote sensing
- Programmable VREF (0.2V to 1.2V) and soft start (0.5ms to 64ms)
- Hardware enable and software enable control
- Programmable UV, OV, OC fault levels
- Telemetry and fault reporting through PMBus
- TID Rad Hard Assurance (RHA) wafer-by-wafer testing
- LDR (≤10mrad(Si)/s): 75krad(Si)
- SEE characterization
- No DSEE for, VDD = 20V, VCC = 6.1V, VISEN = 13.5V, and 86MeV•cm2/mg
- SEFI < 2.5μm2 at 86MeV•cm2/mg
- SET < 3.55% on VOUT at 86MeV•cm2/mg
描述
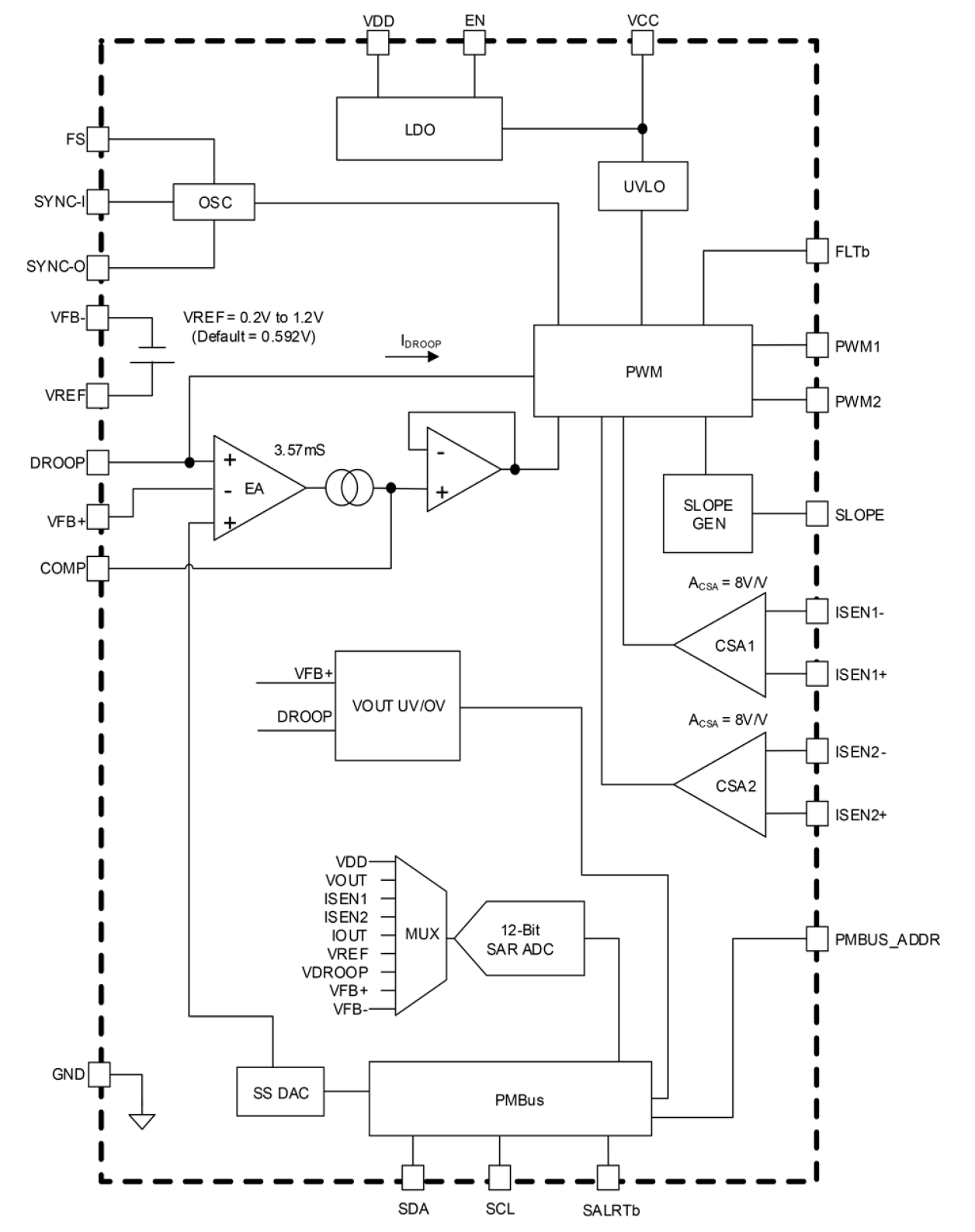
The ISL73849SLH is a PMBus-based synchronous buck controller that can operate as a single or dual-phase controller. It is intended to work with the ISL73041SEH (half-bridge GaN FET driver) to generate point-of-load voltage rails for commercial space applications. This device operates across the military temperature range from -55°C to +125°C and is available in a 24 Ld hermetically sealed Ceramic Dual Flatpack (CDFP) package or die form.
It accepts an input voltage range of 4.5V to 19V with a programmable output switching frequency between 250kHz and 1.5MHz with a single resistor. The output can regulate a voltage upwards of 200mV and is limited on the top end by the minimum off time and selected switching frequency.
The ISL73849SLH features built-in current sharing, enabling two-phase operation within a single device and four-phase operation using two ISL73849s, all without requiring an external clock at ≤ 1.04MHz. For multiphase operation at other frequencies, the ISL74420 provides additional scalability, making it a flexible solution for multiphase power architectures.
The wide input voltage range makes it a suitable power supply option for a high current FPGA core and other general-purpose power solutions. The ISL73849SLH uses current-mode modulation, which simplifies loop compensation and provides excellent power supply rejection. Additionally, the output is remotely sensed to compensate for any voltage drop in the load conditions. All of this put together results in a robust power supply solution that requires minimal components while achieving high current density.
It also features a tri-level output that provides excellent protection against faults by driving a mid-scale voltage to signal the power stage to enter a Hi-Z condition. Control, telemetry, and fault reporting through PMBus make the ISL73849SLH easy to program using an MCU.
产品参数
| 属性 | 值 |
|---|---|
| Rating | Space |
| Control Mode | Peak Current Mode |
| Phases (Max) | 2 |
| No-Load Operating Current | 22 mA |
| Quiescent Current | 11µA |
| Supply Voltage (min) (V) | 4.5 - 4.5 |
| Supply Voltage (max) (V) | 19 - 19 |
| Switching Frequency (min) (kHz) | 250 |
| Switching Frequency (max) (kHz) | 1500 |
| Topology | Sync. Buck |
| VREF (V) | 0.2 - 1.2 |
| Temp. Range (°C) | -55 to +125°C |
| TID LDR (krad(Si)) | 75 |
| DSEE (MeV·cm2/mg) | 86 |
| Flow | RH Hermetic |
| Qualification Level | Class Ve, EM |
| Die Sale Availability? | Yes |
| PROTO Availability? | Yes |
产品对比
| ISL73849SLH | ISL73847SEH | |
| Supply Voltage (min) | 4.5 - 4.5 | 4.5 - 4.5 |
| Supply Voltage (max) | 19 - 19 | 19 - 19 |
| Switching Frequency (min) (kHz) | 250 | 250 |
| Switching Frequency (max) (kHz) | 1500 | 1500 |
| Quiescent Current | 11µA | 11µA |
| No-Load Operating Current | 22 mA | 12 mA |
| VREF (V) | 0.2 - 1.2 | 0.6 |
应用
- FPGA core power supply
- General-purpose power supply
当前筛选条件