跳转到主要内容
瑞萨电子 (Renesas Electronics Corporation)

特性

  • Patented gate-sensed adaptive dead time control provides shoot-through protection and minimized dead time
  • Unique tri-level PWM input for integration with Renesas multiphase controllers (for example, ISL78225 and ISL78226)
  • 3A sourcing and 4A sinking output current
  • On-chip 3Ω bootstrap FET switch
  • Programmable dead time delay with single resistor
  • Tri-level PWM input
  • Separate source/sink pins at driver outputs
  • Bootstrap and VDD Undervoltage Lockout (UVLO)
  • Wide supply range: 8V to 18V
  • Bootstrap supply maximum voltage: 100V
  • Maximum phase voltage: 86V
  • Minimum phase voltage: -10V

描述

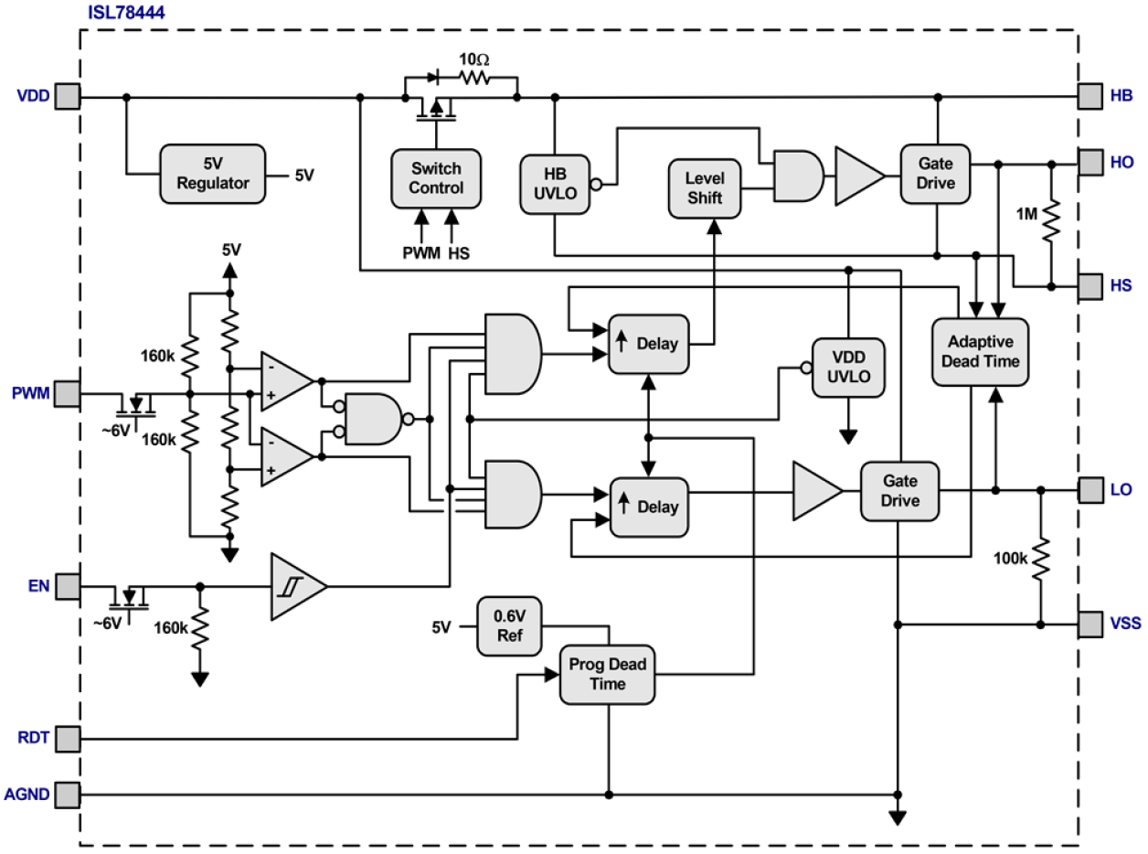
The ISL78424, ISL78434, and ISL78444 are Automotive Grade (AEC-Q100 Grade 1) high voltage, high frequency, half-bridge NMOS FET drivers for driving the gates of up to 70V half-bridge topologies. The family of half-bridge drivers features 3A sourcing, 4A sinking peak gate drive current. The ISL78424 and ISL78444 feature a single tri-level PWM input for controlling both gate drivers. The ISL78434 has dual independent inputs for controlling the high-side and low-side drivers separately. The ISL78424 and ISL78434 have independent sourcing and sinking pins for each gate driver, while ISL78444 has a single combined sourcing/sinking output for each gate driver. Strong gate drive strength and the Adaptive Dead Time (ADT) feature allow this family of drivers to switch high voltage, low rDS(ON) power FETs in half-bridge topologies at high operating frequencies while providing shoot-through protection and minimizing dead time switching losses. The ISL78424, ISL78434, and ISL78444 are offered in a 14 Ld HTSSOP package that complies with 100V conductor spacing per IPC-2221B. The ISL78444 is pin compatible with the ISL78420. All devices are specified across a wide ambient temperature range of -40°C to +140°C.

产品参数

属性
Bootstrap Supply Voltage (Max) (V)100
VBIAS (Max) (V)18
Peak Pull-up Current (A)3
Peak Pull-down Current (A)4
Turn-On Prop Delay (ns)45
Turn-Off Prop Delay (ns)45
Rise Time (μs)10
Fall Time0.01
Temp. Range (°C)-40 to +125°C
Input Logic LevelTri-Level
Qualification LevelAutomotive

封装选项

Pkg. TypePkg. Dimensions (mm)Lead Count (#)Pitch (mm)
TSSOP-EP5.0 x 4.4 x 0.00140.7

应用方框图

Bi-directional GaN DC/DC converter block diagram features highly efficient 12V/48V DC/DC converters and supports ASIL B automotive safety standard with Renesas MCU and regulator.
12V/48V 电车/混动电车系统双向 GaN DC/DC 转换器
高效率双向 GaN DC/DC 转换器,非常适合 12V/48V 的电车和混动电车的系统。
Bidirectional DC/DC converter block diagram features a multi-phase DC/DC system delivering over 3kW between 12V and 48V board nets and supports ASIL B automotive safety standard with Renesas MCU and regulator.
12V/48V 电车/混动电车系统双向 DC/DC 转换器
高效率双向 DC/DC 转换器,非常适合 12V/48V 的电车和混动电车的系统。

当前筛选条件