跳转到主要内容
瑞萨电子 (Renesas Electronics Corporation)

特性

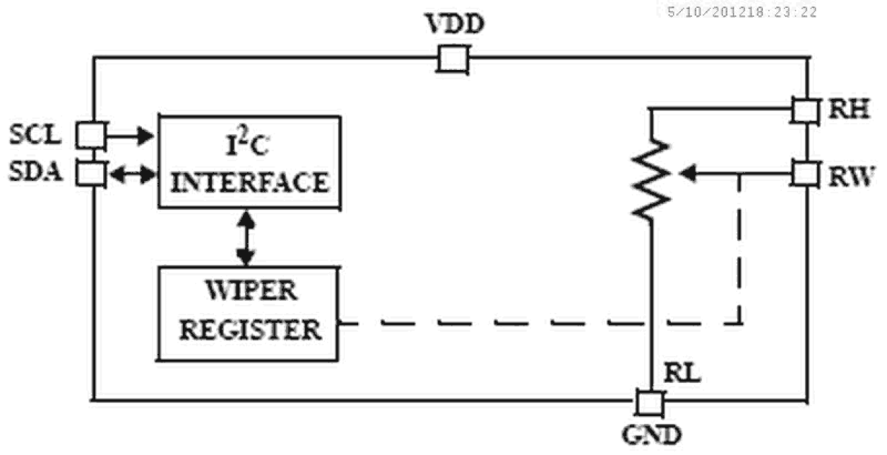
  • Volatile Solid-State Potentiometer
  • I2C Serial Bus Interface
  • DCP Terminal Voltage, 2.7V to 5.5V
  • Low Tempco
  • Rheostat - 45 ppm/°C Typical
  • Divider - 15 ppm/°C Typical
  • 128 Wiper Tap Points
  • Wiper Resistance 70Ω Typ at VCC = 3.3V
  • Low Power CMOS
  • Active Current, 200µA Max
  • Standby Current, 500nA Max
  • Available RTOTAL Values = 50kΩ, 10kΩ
  • Power-on Preset to Midscale
  • Packaging
  • 6 Ld SC-70
  • Pb-Free (RoHS Compliant)

描述

The Intersil ISL90727 and ISL90728 are digitally controlled potentiometers (XDCP™). Each device consists of a resistor array, wiper switches, and a control section. The wiper position is controlled by an I2C Bus™. The potentiometer is implemented by a resistor array composed of 127 resistive elements and a wiper switching network. Between each element and at either end are tap points accessible to the wiper terminal. The position of the wiper element is controlled by the SDA and SCL inputs.

产品参数

属性
Resistance TaperLinear
Taps (#)128
Resistance Options (kΩ)10, 50
Channels (#)1
InterfaceI2C
Memory TypeVolatile
Supply Voltage Vcc Range2.7 to 5.5
Supply Current Icc (µA)0.5
Single Supply Voltage Range (V)5.5
Wiper Current (mA)3
Wiper Resistance (ohms)85
VL Terminal Voltage (Max) (V)5.5
End-to-End Temperature Coefficient (ppm/°C)45
Middlepoint Ratiometric Tempco15
Advanced FeaturesSame as ISL90728 with different I2C address; RL connected to GND
Qualification LevelStandard

封装选项

Pkg. TypePkg. Dimensions (mm)Lead Count (#)Pitch (mm)
SC702.0 x 1.2 x 0.5060.7
SC701 x 2 x 1.160.65

应用方框图

Smart water monitoring system block diagram utilizes two simple wires for detecting humidity levels or water leakage and sending real-time alerts via LTE or NB-IoT networks.
智能水监测系统
基于 LTE 的水监测系统,具有基于 MQTT 的泄漏检测和自动阀门控制功能,可远程使用。

其他应用

  • Mechanical Potentiometer Replacement
  • Transducer Adjustment of Pressure, Temperature,
  • Position, Chemical, and Optical Sensors
  • RF Amplifier Biasing
  • LCD Brightness and Contrast Adjustment
  • Gain Control and Offset Adjustment

当前筛选条件