跳转到主要内容
瑞萨电子 (Renesas Electronics Corporation)
替代产品
ISL9238C - 带 SMBus 接口和 USB-C OTG 的升降压窄 VDC 充电器
  • Notes:NRND: The ISL9238B is not recommended for new designs.

特性

  • Buck-boost NVDC charger for 2-, 3-, or 4-cell Li-ion batteries
  • Input voltage range: 3.2V to 23.4V (no dead zone)
  • System output voltage: 2.4V to 18.304V
  • Autonomous charging option (automatic completion of charging)
  • Pass-Through mode in forward direction
  • System power monitor PSYS output, IMVP compliant
  • Up to 1MHz switching frequency
  • Adapter current and battery current monitor (AMON/BMON)
  • PROCHOT# open-drain output, IMVP compliant
  • Allows trickle charging of a depleted battery
  • Ideal diode control in Turbo mode
  • Reverse buck, boost, and buck-boost operation from battery
  • Two-level adapter current limit available
  • Battery Ship mode option
  • SMBus and auto-increment I2C compatible
  • 4mm x 4mm 32 Ld TQFN package

描述

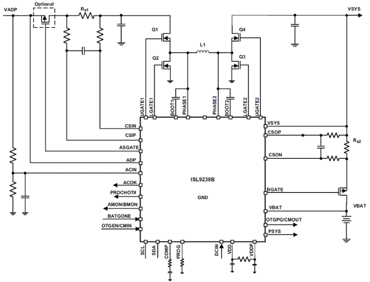
The ISL9238B is a buck-boost Narrow Output Voltage DC (NVDC) charger. The ISL9238B provides NVDC charging, system bus regulation, and protection features for tablets, Ultrabooks, notebooks, power banks, and any USB-C interface platform. The advanced Renesas R3™ technology provides high light-load efficiency and fast transient response. In Charging mode, the ISL9238B accepts input power from a wide range of DC power sources (such as conventional AC/DC charger adapters, USB PD ports, and travel adapters) and safely charges battery packs with up to 4-series cell Li-ion batteries. As an NVDC topology charger, the ISL9238B also regulates the system output to a narrow DC range for stable system bus voltage. System power can be provided from the adapter, battery, or a combination of both. The ISL9238B can operate with only a battery, only an adapter, or with both connected. For Intel IMVP8 compliant systems the ISL9238B includes System Power monitor (PSYS) functionality, which provides an analog signal representing total platform power. The PSYS output connects to a wide range of Renesas IMVP8 core regulators to provide an IMVP8 compliant power domain function. The ISL9238B supports reverse buck, boost, or buck-boost operation to the input port from 2- to 4-cell batteries. The ISL9238B provides SMBus/I2C serial communication that allows programming of many critical parameters to deliver a customized solution.

产品参数

属性
Topology [Rail 1]Buck-Boost
Input Voltage (Min) (V)3.2
Input Voltage (Max) (V)23.4
Input Current Limit Accuracy (% (±))2
Battery Charge Voltage2.4 to 18.304
Charging Voltage Accuracy (Max) (±%)0.5
Battery Charge Voltage Adjustment8mV steps
Charge Current Limit Accuracy±2.5 (CSOP - CSON = 60mV)
Trickle Charge Current Range64mA, 128mA, 256mA, or 512mA
Switching Frequency Range (Typical) (kHz)635 - 1000

封装选项

Pkg. TypePkg. Dimensions (mm)Lead Count (#)Pitch (mm)
TQFN4.0 x 4.0 x 0.70320.4

当前筛选条件