特性
- Single 5.0V supply: 5.0V ± 10%
- Access time: 12ns (max)
- Completely static memory: No clock or timing strobe required
- Equal access and cycle times
- Directly TTL compatible: All inputs and outputs
- Operating current: 130mA (max)
- TTL standby current: 40mA (max)
- CMOS standby current: 5mA (max)
- Center VCC and VSS type pinout
- Temperature range: −40°C to +85°C
描述
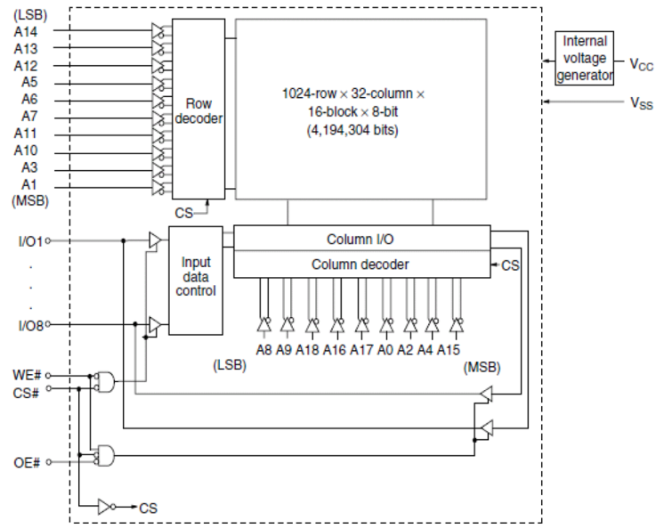
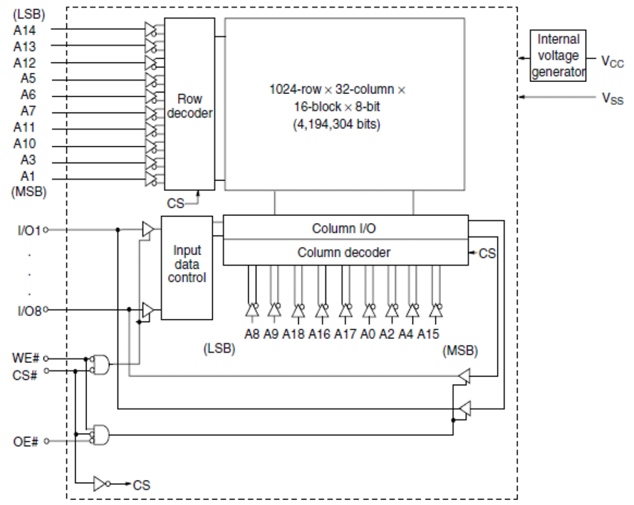
The R1RP0408DI Series is a 4Mbit high-speed static RAM organized as 512-kword × 8-bit. It realizes high-speed access time by employing the CMOS process (6-transistor memory cell) and high-speed circuit design technology. It is most appropriate for applications that require high-speed, high-density memory and a wide bit width configuration, such as cache and buffer memory in systems. It is packaged in a 400-mil 36-pin plastic SOJ.
产品参数
| 属性 | 值 |
|---|---|
| Density (Kb) | 4096 |
| Bus Width (bits) | 8 |
| Core Voltage (V) | 5 |
| Organization | 512K x 8 |
| I/O Voltage (V) | 5 |
| Access Time (ns) | 12 |
封装选项
| Pkg. Type | Pkg. Dimensions (mm) | Lead Count (#) |
|---|---|---|
| SOJ | 23 x 10 x 3.55 | 36 |
当前筛选条件
加载中