| CAD 模型: | View CAD Model |
| Pkg. Type: | SOJ |
| Pkg. Code: | pkg_474 |
| Lead Count (#): | 36 |
| Pkg. Dimensions (mm): | 23 x 10 x 3.55 |
| Pitch (mm): | 1.27 |
| Moisture Sensitivity Level (MSL) | 2 |
| ECCN (US) | 3A991.b.2.a |
| HTS (US) | 8542.32.0041 |
| RoHS (R1RP0408DGE-2LR#B0) | 英语日文 |
| Pb (Lead) Free | Yes |
| Carrier Type | Tube |
| Moisture Sensitivity Level (MSL) | 2 |
| Access Time (ns) | 12 |
| Lead Compliant | Yes |
| Lead Count (#) | 36 |
| Length (mm) | 23 |
| MOQ | 1 |
| Memory Capacity (kbit) | 4000 |
| Organization | 512K x 8 |
| Organization (bit) | x 8 |
| Pb (Lead) Free | Yes |
| Pkg. Dimensions (mm) | 23 x 10 x 3.55 |
| Pkg. Type | SOJ |
| Remarks | Contact us for Successor Products information. |
| Replacement Product | R1RP0408DGE-2LR#B1 |
| Supply Voltage (V) | 4.5 - 5.5 |
| Tape & Reel | No |
| Thickness (mm) | 3.55 |
| Width (mm) | 10 |
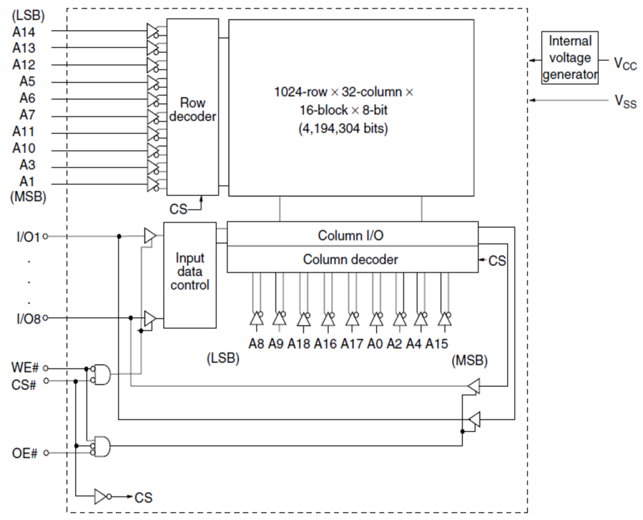
The R1RP0408D Series is a 4Mbit high-speed static RAM organized 512-k word × 8-bit. It realizes high-speed access time by employing the CMOS process (6-transistor memory cell) and high-speed circuit design technology. It is most appropriate for applications that require high-speed, high-density memory and a wide bit width configuration, such as cache and buffer memory in systems. It is packaged in a 400-mil 36-pin plastic SOJ.