特性
- Single 5.0V supply: 5.0V ± 10%
- Access time: 10ns/12ns (max)
- Completely static memory: No clock or timing strobe required
- Equal access and cycle times
- Directly TTL compatible: All inputs and outputs
- Operating current: 170mA/160mA (max)
- TTL standby current: 40mA (max)
- CMOS standby current: 5mA (max)
- Center VCC and VSS type pinout
描述
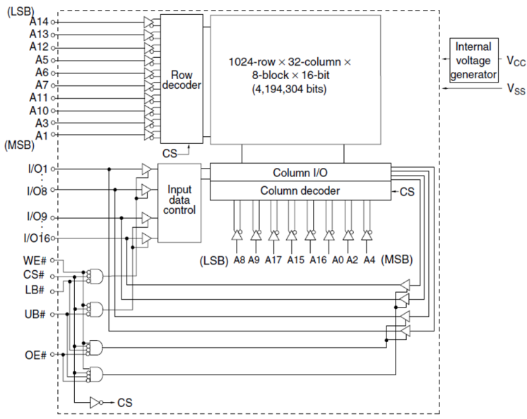
The R1RP0416D Series is a 4Mbit high-speed static RAM organized as 256-kword × 16-bit. It realizes high-speed access time by employing the CMOS process (6-transistor memory cell) and high-speed circuit design technology. It is most appropriate for applications that require high-speed, high-density memory and a wide bit width configuration, such as cache and buffer memory in systems. It is packaged in a 400-mil 44-pin plastic SOJ and 400-mil 44-pin plastic TSOPII.
产品参数
| 属性 | 值 |
|---|---|
| Density (Kb) | 4096 |
| Bus Width (bits) | 16 |
| Core Voltage (V) | 5 |
| Organization | 256K x 16 |
| I/O Voltage (V) | 5 |
| Access Time (ns) | 10, 12 |
封装选项
| Pkg. Type | Pkg. Dimensions (mm) | Lead Count (#) | Pitch (mm) |
|---|---|---|---|
| TSOP(44) | 18 x 10 x 1.2 | 44 | 0.8 |
当前筛选条件