特性
- Single supply: 3.3V ± 0.3V
- Access time: 10ns /12ns (max)
- Completely static memory: No clock or timing strobe required
- Equal access and cycle times
- Directly TTL compatible: All inputs and outputs
- Operating current: 115mA/100mA (max)
- TTL standby current: 40mA (max)
- CMOS standby current: 5mA (max), 0.8 mA (max) (L-version)
- Data retention current: 0.4mA (max) (L-version)
- Data retention voltage: 2V (min) (L-version)
- Center VCC and VSS type pinout
描述
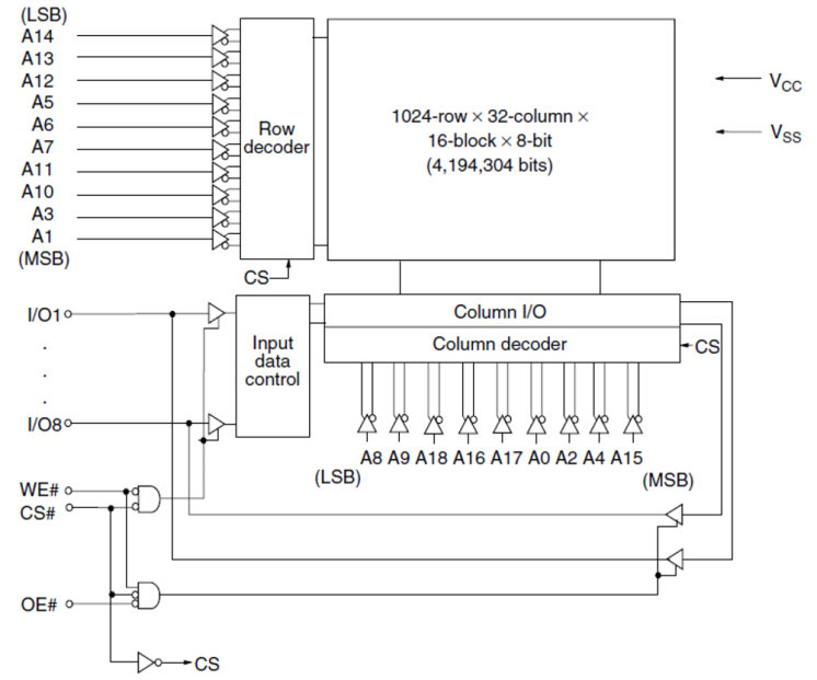
The R1RW0408D is a 4Mbit high-speed static RAM organized as 512-kword × 8-bit. It realizes high-speed access time by employing the CMOS process (6-transistor memory cell) and high-speed circuit design technology. It is most appropriate for applications that require high-speed, high-density memory and a wide bit width configuration, such as cache and buffer memory in systems. The R1RW0408D is packaged in 400-mil 36-pin SOJ for high-density surface mounting.
产品参数
| 属性 | 值 | 
|---|---|
| Density (Kb) | 4096 | 
| Bus Width (bits) | 8 | 
| Core Voltage (V) | 3.3 | 
| Organization | 512K x 8 | 
| I/O Voltage (V) | 3.3 | 
| Access Time (ns) | 12 | 
封装选项
| Pkg. Type | Pkg. Dimensions (mm) | Lead Count (#) | 
|---|---|---|
| SOJ | 23 x 10 x 3.55 | 36 | 
当前筛选条件
加载中
     
