跳转到主要内容

特性

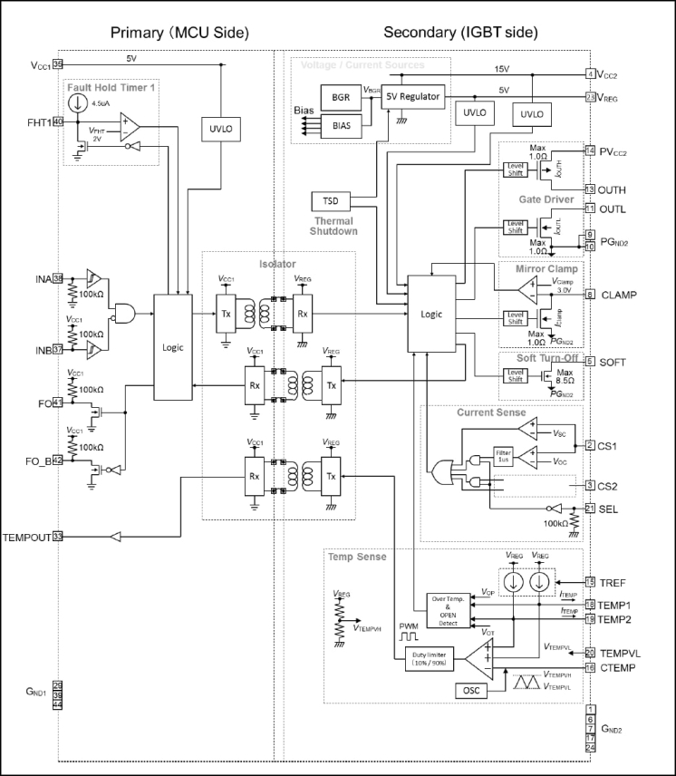
  • 片上微型隔离器(隔离电路)
    • 高压隔离:2500VRMS
    • 高共模阻隔 (CMR):超过 35kV/us
  • 高输出栅极驱动电路
    • 栅极驱动输出电阻:最大 1.0 Ω(提供 IGBT 并联)
    • 片上有源 Miller 箝位功能
    • 片上软关断功能
  • 多种片上保护电路
    • IGBT 发射极电流检测电路:2 个通道
    • 过电流检测(Vth:0.25 V 典型值)、短路检测(Vth:0.5 V 典型值)
    • 可启用/禁用过电流检测功能(SEL 引脚)
    • IGBT 温度检测电路:2 个通道
    • 片上欠压锁定电路
      • VCC1(5 V 主侧):4.1 V 典型值。
      • VCC2(15 V 辅助侧):10 V 典型值。
    • 片上过热保护电路 (200 °C)
    • 通过外部电容器进行的故障反馈,故障保持时间可调
  • 工作温度:-40 至 125°C(结温:最大 150°C)

描述

R2A25110KSP 是一个单通道 IGBT 门极驱动 IC,适用于高压变频器应用。一次回路(MCU 侧)和二次回路(IGBT 侧)之间采用无芯变压器结构的微型隔离器进行数据传输,并进行高压隔离。

该器件包括 IGBT 栅极驱动电路、Miller 箝位电路、软关断电路以及 IGBT 温度检测等多种保护电路。该器件还支持驱动并行 IGBT。

应用方框图

X-in-1 Electric Vehicle Unit: 48V Inverter, Onboard Charger, DC/DC Converter Interactive Block Diagram
多合一电动汽车单元
可实现高效电机控制、充电和 DC/DC 转换的集成式多合一电动汽车电源系统。
DC Fast Charging Station for Electric Vehicles Block Diagram
电动汽车直流快速充电站
直流快速充电站设计,采用高效 IGBT、栅极驱动器、MCU 和 PMIC。
xEV Inverter Solution with Inductive Position Sensor (IPS) Block Diagram
带电感式位置传感器(IPS)的 xEV 逆变器
该采用 IPS 的高性价比 xEV 逆变器系统具有高精度、抗噪性能和低 BOM 等特点。
Motor Generator System Block Diagram
电机发电系统
高性能 xEV 电机控制设计,支持 ASIL C,配备锁步 CPU,并降低了 BOM 成本。
Automotive Monitoring Function Extension for Motor Control System Block Diagram
汽车监控功能扩展
基于 CMIC 的紧凑型系统,用于将电机监控和保护功能集成到汽车系统中。
xEV Inverter Reference Solution Block Diagram
xEV 逆变器
紧凑、高效的 xEV 逆变器设计,具有先进的校准工具和经过验证的 100kW 电机性能。

其他应用

  • Main inverters for EV/HEV in automotive applications
  • Converters for EV/HEV in automotive applications
  • Inverters and converters for industrial instruments

当前筛选条件

了解更多关于构建世界上最小的100KW级电动汽车逆变器的参考解决方案。