跳转到主要内容
瑞萨电子 (Renesas Electronics Corporation)

特性

  • 4.5V to 24V input supply range
  • Up to 3A output current
  • Integrated high-side (85mΩ) and low-side (45mΩ) MOSFETs
  • 1.4MHz switching frequency
  • 400μA quiescent current
  • Minimum on-time of 66ns
  • Minimum off-time of 250ns
  • 0.6V reference voltage with 2% accuracy
  • PFM mode under light-load condition
  • Current mode Constant On-Time (COT) control with internal compensation
  • Internal 1.2ms soft-start time
  • Protection: Low-Side Overcurrent (LSOC) limit, input Undervoltage Lockout (UVLO), Over-Temperature Protection (OTP), Output Undervoltage Protection (OUVP) with Hiccup Mode
  • Accurate EN threshold
  • 6 LD TSOT23 package

描述

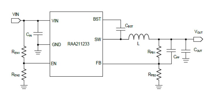
The RAA211233 is an integrated 24V, 3A, 1.4MHz synchronous buck regulator with current mode constant on-time (COT) control. 

The RAA211233 features comprehensive protection including input undervoltage lockout (UVLO), overcurrent protection (OCP), output undervoltage protection (OUVP), and over-temperature protection (OTP). The device is available in a 6 Ld TSOT23 package.

The device is available in a 6 Ld TSOT23 package.

产品参数

属性
Topology [Rail 1]Buck
Outputs (#)1
Input Voltage (Min) [Rail 1] (V)4.5
Input Voltage (Max) [Rail 1] (V)24 - 24
Output Voltage (Min) [Rail 1] (V)0.6
Output Voltage (Max) [Rail 1] (V)11
Output Current (Max) [Rail 1] (A)3
Switching Frequency Range (Typical) (kHz)1380 - 1380
Control TypeCOT
Peak Efficiency (%)96
IQ [Rail 1] (µA)400
SYNCH CapabilityNo
Qualification LevelStandard
Temp. Range (°C)-55 to +125°C
Simulation Model AvailableiSim

封装选项

Pkg. TypePkg. Dimensions (mm)Lead Count (#)Pitch (mm)
TSOT2.9 x 1.6 x 0.8761

产品对比

RAA211233RAA211230
Input Voltage (Min) (V)4.54.5
Output Voltage (Max) (V)1114

应用方框图

Interactive block diagram of the low-power servo design features a flash-based MCU and allows to drive up to 75W motors with precise control.
微型 BLDC 伺服器
BLDC 伺服驱动功率高达 75W 的电机,具有精确、高效的集成控制功能。
Interactive block diagram of the turntable system features a low-power MCU and RIAA preamp.
唱盘系统
这款唱盘系统采用低功耗 MCU 和 RIAA 前置放大器,可实现精确的电机和音频控制。
Smart Solar Tracking and Cleaning System Block Diagram
智能太阳能自动调节和清洁系统
太阳能电池板自动调节系统通过优化光照、自动清洁和云连接来提高效率。

其他应用

  • General purpose
  • Industrial power supplies
  • Embedded systems and I/O supplies
  • Sensor, imaging, and radar
  • Instrumentation, medical, audio, and RF power supplies

当前筛选条件