跳转到主要内容
瑞萨电子 (Renesas Electronics Corporation)

特性

  • 4.5V 至 30V 输入电源范围
  • 高达 2A 的输出电流
  • 集成高压侧(125mΩ) 和低压侧(75mΩ)MOSFET
  • 400μA 静态电流
  • 最小导通时间为 70ns,最短关断时间为 225ns
  • 0.765V 基准电压,精度为 2%
  • 轻负载条件下可启动 PFM 模式
  • 带内部补偿的电流模式恒定导通时间(COT)控制
  • 内部 0.8ms 软启动时间
  • 保护功能:低侧过流(LSOC)限制、输入欠压锁定(UVLO)、过温保护(OTP)、带打嗝模式的输出欠压保护(OUVP)
  • 精确的 EN 阈值
  • 6 LD TSOT23 封装

描述

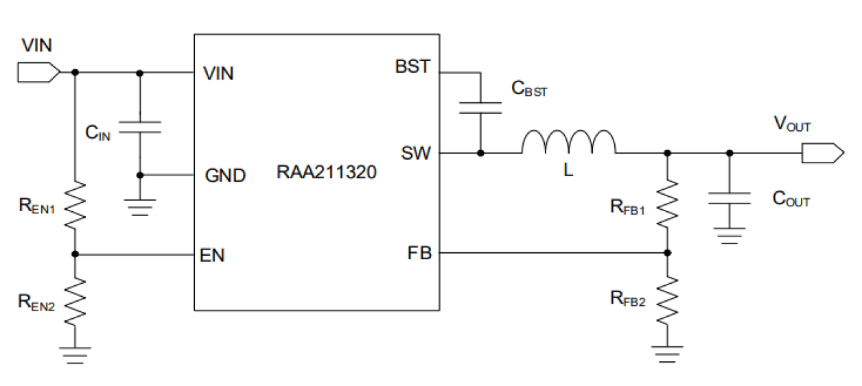
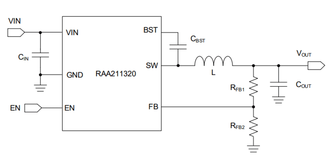
RAA211320 是一款集成式 30V 2A 同步降压稳压器,具有电流模式恒定导通时间(COT)控制。 RAA211320 具有全面的保护功能,包括输入欠压锁定(UVLO)、过流保护(OCP)、输出欠压保护(OUVP)和过温保护(OTP)。

产品参数

属性
Topology [Rail 1]Buck
Outputs (#)1
Input Voltage (Min) [Rail 1] (V)4.5
Input Voltage (Max) [Rail 1] (V)30 - 30
Output Voltage (Min) [Rail 1] (V)0.765
Output Voltage (Max) [Rail 1] (V)16
Output Current (Max) [Rail 1] (A)2
Switching Frequency Range (Typical) (kHz)475 - 475
Control TypeCOT
Peak Efficiency (%)96
IQ [Rail 1] (µA)400
SYNCH CapabilityNo
Qualification LevelStandard
Temp. Range (°C)-55 to +125°C
Simulation Model AvailableiSim

封装选项

Pkg. TypePkg. Dimensions (mm)Lead Count (#)Pitch (mm)
TSOT2.9 x 1.6 x 0.8761

应用方框图

High-end Ki wireless power transceiver system with GUI block diagram features a TFT‑based capacitive touch interface with integrated Bluetooth LE or Wi‑Fi.
Ki 无线电源收发器系统(Tx)
将感应式电力传输与 NFC 相结合的高能效 Ki 无线电源收发器,为设备充电提供可靠、紧凑、无线的解决方案。
High-end Ki wireless power receiver system with GUI block diagram features a TFT‑based capacitive touch interface, with integrated Bluetooth LE or Wi‑Fi.
Ki 无线电源接收器系统(Rx)
高效 Ki 接收器利用集成 NFC 实现无线电力转换,使电器能够以可靠、紧凑、免电缆的方式运行。
Level 2 EV Charger Block Diagram
2 级电动汽车充电器
模块化 EVSE 系统具有先进的连接性,可实现高效的 EV 充电和管理。
48V/3kW Motor Control for 2/3 Wheelers Block Diagram
用于二轮车和三轮车的 48V/3kW 电机控制装置
48V/3kW 电机控制系统具有可扩展的逆变器设计、相位过流故障检测和 ASIL-B 安全功能。
MIDI Linked Illumination Controller Block Diagram
MIDI 链接照明控制器
由 MCU 驱动的系统可解读 MIDI 以控制 LED,从而创造出与音乐同步的照明效果。
Interactive block diagram of a highly secure drug delivery system features an NFC authentication and rich connectivity.
具有 NFC 身份验证和丰富连接性的高安全性药物投放系统
具有精准剂量和安全功能的药物投放系统,确保正确的药物与投放
Smart Compost Maker Block Diagram
智能堆肥机
智能堆肥机设计配备 Wi-Fi、电机驱动和触摸控制功能,可实现快速高效的原型制作。
Interactive block diagram of the WXGA single display HMI platform features RGB and MIPI video outputs with 2D graphics, powered by an Arm Cortex-M85 MCU.
高端功能丰富的 HMI 平台
灵活的 HMI 平台,为显示分辨率、音频、扬声器等提供丰富的功能支持。

其他应用

  • 一般用途
  • 工业电源
  • 嵌入式系统和 I/O 电源

当前筛选条件