跳转到主要内容

特性

  • Wide Input Voltage Range: 2.5V to 20V
  • Max Output Current: 1A
  • Dropout Voltage: 540mV typical at 1A
  • Low Ground Current
  • Output Voltage Adjustable: 1.224V to 18V
  • Excellent Line and Load Regulation
  • Stable with an output capacitor as low as 2.2μF
  • Short-Circuit Current Limit with fold-back
  • Over-Temperature Shutdown Protection
  • 8-Ld DFN (3mm×3mm) and SOIC package

 

描述

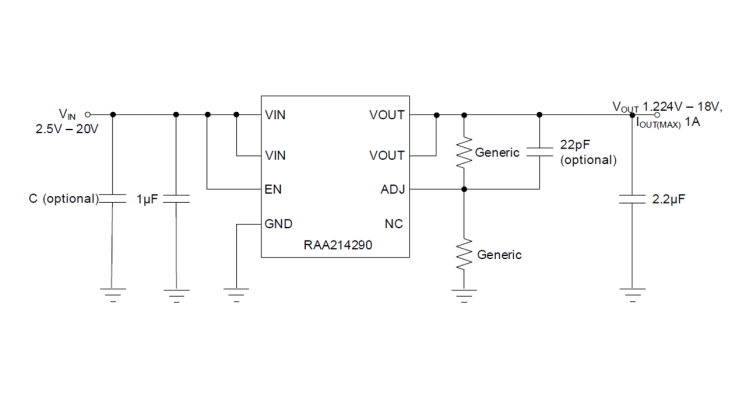
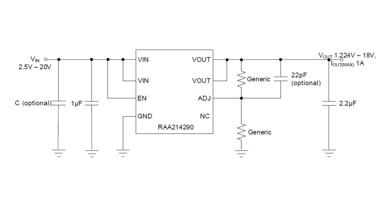
The RAA214290 is a low-dropout linear voltage regulator that operates from 2.5V to 20V and provides up to 1A of output current with a typical dropout of 269mV. The output voltage is adjustable with external feedback resistors anywhere from 1.224V to 18V.

产品对比

RAA214290 RAA214220 RAA214250
AC Input Voltage Range
Continuous Output Current (mA)

产品参数

属性
Input Voltage (Min) (V) 2.5
Input Voltage (Max) (V) 20
Output Voltage (Min) (V) 1.22
Output Voltage (Max) (V) 18
Output Current 1 (Max) (A) 1
Drop Out Voltage (Typical) 0.27
Fixed Output Voltage Option No
PSRR (db) 87
Quiescent Current 68 µA
Noise (10Hz to 100kHz) (μVrms) 167
Qualification Level Standard

封装选项

Pkg. Type Pkg. Dimensions (mm) Lead Count (#) Pitch (mm)
DFN 3.0 x 3.0 x 0.85 8 0.6
SOICN-EP 4.9 x 3.9 x 1.40 8 1.3

应用方框图

Level 2 EV Charger Block Diagram
2 级电动汽车充电器
模块化 EVSE 系统具有先进的连接性,可实现高效的 EV 充电和管理。

其他应用

  • MCU Power Supply
  • Battery-Powered Equipment
  • Electric Meters and Appliances 
     

当前筛选条件