跳转到主要内容

特性

  • 工作电源电压:
    • VBRIDGE:6V 至 65V(最大绝对值 78V)
    • VM:6V 至 60V(最大绝对值 65V)
  • 工作环境温度:-40 °C 至 125 °C
  • 用于 BLDC 应用的 3 相栅极驱动器
    • 用于 BLDC 应用的 3 相栅极驱动器
    • 0.64A/1.28A 峰值拉电流/灌电流
    • 带 16 级可调节驱动强度
    • 自适应且可调节的死区时间
  • 灵活的栅极驱动器配置
    • 3 相 HI/LI 模式和 3 相 PWM 模式
    • 输入控制信号配置
    • 支持半桥、全桥配置
  • 全集成式电源架构
    • 两个 VCC LDO 实现了休眠模式的低 IQ
    • 500mA 降压开关稳压器产生驱动力电压 (5V 至 15V 可调节电压)
    • 用于 MCU 供电的 100mA 可调节输出 LDO (3.3V至5V 可调节)
  • 三个精确的差分放大器
    • 四级感应增益设置
    • 支持加电期间及实时的 DC 偏移校准
  • 用于无传感器电机驱动的 BEMF 感测放大器
  • 用于霍尔传感器电机驱动的三个比较器
  • 集成的保护功能
  • 7mm x 7mm 48 Ld QFN 封装(0.5mm 间距)

描述

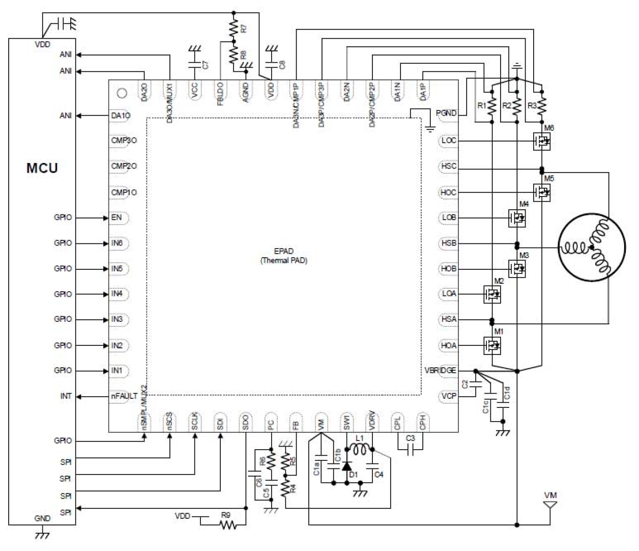
RAA306012 是一款适用于 3 相无刷直流 (BLDC) 电机应用的智能MOSFET 栅极驱动器。 RAA306012 集成了三个半桥栅极驱动器,这些驱动器能够驱动多达 3 个 N沟道 MOSFET 桥,且支持 6V 至 65V 的桥电压。 每个栅极驱动器支持高达 0.64A 的拉电流及 1.28A 灌电流的峰值驱动电流,并具备可调节的驱动强度控制。 自适应且可调节的死区时间设计可确保产品兼具稳健性与灵活性。 主动栅极保持机制能够避免米勒效应引起的交叉传导现象,进一步增强了产品的稳健性。

该设备集成了为内部模拟及逻辑电路、高压侧/低压侧栅极驱动器供电的电源,以及专为外部控制器供电的电源。 RAA306012 还具备低功耗休眠模式。该模式的功耗仅为 28μA,能够最大限度地延长便携式应用中电池的使用时间。

产品参数

属性
Function 3 Phase BLDC Driver
Input Voltage Range (V) 4.5 - 60
Input Voltage (Max) (V) 78
VBIAS (Max) (V) 65
Quiescent Current 20 µA
ISOURCE (Max) (mA) 640
ISINK (Max) (mA) 1280
Internal Buck Regulator Buck 500mA
Gate Drive (V) 15
Internal Auxiliary Power LDO (5V or 3.3V) 100mA
Adaptive Dead Time Yes
VOUT Slew-rate Control Yes
Charge Pump Yes
Intern Gain Amplifiers 3
Internal Sample & Hold Yes
Input Control HI/LI or PWM
Input Logic Level 1.5V/TTL
Advanced Fault Protection Yes
Qualification Level Standard

封装选项

Pkg. Type Pkg. Dimensions (mm) Lead Count (#) Pitch (mm)
QFN 7.0 x 7.0 x 0.75 48 0.5

应用方框图

Cordless leaf blower system interactive block diagram features a low-power MCU and smart gate driver offering adjustable speeds, rechargeable battery, and versatile design.
无线吹叶机
20V 无线吹叶机具有可调速度、智能电机、可充电电池和多功能设计。
Interactive block diagram of the industrial electronic valve control features a dual MCU system and RS-485 supporting the SIL2 standard.
工业电子阀门控制器
工业电子阀提供精确、符合 SIL2 标准的控制。
Cordless vacuum cleaner system interactive block diagram features a ultra-low power MCU and smart gate driver for versatile, scalable designs.
无线吸尘器
BLDC 电机具有智能控制功能,使用寿命长,可为吸尘器、风扇等高效的多功能工具供电。

其他应用

  • 无线电动工具
  • 户外电力设备
  • 真空吸尘器
  • 风扇
  • 机器人
  • 医疗设备
  • 工业电机驱动

当前筛选条件

RAA306012 integrates three half-bridge smart gate drivers and supports bridge voltages from 6V to 65V. Each gate driver supports up to a 0.64A source and 1.28A sink peak drive current with programmable drive strength control. Adjustable and adaptive dead times are implemented to ensure robustness and flexibility.