跳转到主要内容
瑞萨电子 (Renesas Electronics Corporation)

特性

  • 2.7V 至 5.5V 工作输入电压范围
  • 3A 输出电流
  • 输出电压可调至 0.6V
  • 100% 压差占空比
  • 77mΩ 和 42mΩ 内部功率 MOSFET 开关管
  • 高开关频率(1.5MHz)
  • EN 用于电源排序
  • 内部软启动
  • 逐周期过流保护(7次)
  • 具有打嗝模式的 OCP 和 SCP
  • 输入欠压保护 (UVLO)
  • 过温保护
  • 小型 TSOT23-6 封装

描述

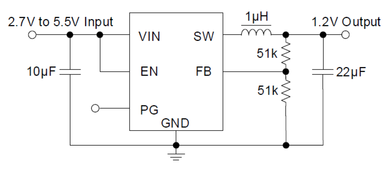
RAA808013 是一款 SOT23-6 单通道 DC/DC 同步降压稳压器。 为满足 2.7~5.5V 输入轨和 3A 负载应用的要求,稳压器需要较高的开关频率,以尽量减小电感器尺寸、增强瞬态响应性能并提高轻负载效率。该稳压器采用 COT IP 设计,可提高瞬态响应性能,还采用 PFM 技术,可提高轻负载效率。 可减少 BOM 数量,无需额外的组件。 RAA808013 采用 6 引脚 2.9*2.8 SOT23-6 封装。

产品参数

属性
Topology [Rail 1]Buck
Outputs (#)1
Input Voltage (Min) [Rail 1] (V)2.7
Input Voltage (Max) [Rail 1] (V)5.5 - 5.5
Output Voltage (Min) [Rail 1] (V)0.6
Output Voltage (Max) [Rail 1] (V)5
Output Current (Max) [Rail 1] (A)3
Switching Frequency Range (Typical) (kHz)1500 - 1500
Control TypeCOT
Peak Efficiency (%)95
IQ [Rail 1] (µA)52
SYNCH CapabilityNo
Qualification LevelStandard
Temp. Range (°C)-40 to +125°C
Simulation Model AvailableiSim

封装选项

Pkg. TypePkg. Dimensions (mm)Lead Count (#)Pitch (mm)
TSOT2.9 x 1.6 x 0.8761

应用方框图

The handheld analog gaming console block diagram features a modern ForgeFPGA architecture, flexible power consumption control and low standby power.
手持式模拟游戏机
这款模拟游戏机采用能够精确模拟经典游戏系统的硬件,并大幅降低了输入延迟。
Interactive block diagram of the 3-phase AC motor with a soft start features an MCU, HVPAK and optional bus interfaces.
3 相交流电机软启动
采用相位角控制技术的软启动器,可实现三相交流电机的平稳加速启动,并通过继电器旁路简化布线。
Power Sequencer & I/O Expander for Printers (PPC/MFP) Block Diagram
打印机电源排序器和 I/O 扩展器(PPC 或 MFP)
基于 MCU 的电源定序器和 I/O 扩展器,适用于高性能 PPC 或 MFP 打印机。
Industrial IoT Gateway with Multiple PHY Block Diagram
具有多个 PHY 的工业物联网网关
可扩展的 IIoT 网关,具有边缘处理和丰富的有线和无线接口。
Interactive block diagram of the WXGA single display HMI platform features RGB and MIPI video outputs with 2D graphics, powered by an Arm Cortex-M85 MCU.
高端功能丰富的 HMI 平台
灵活的 HMI 平台,为显示分辨率、音频、扬声器等提供丰富的功能支持。
High-End Controller for Predictive Maintenance Block Diagram
支持 e-AI 的 GUI 控制器,适配家电与工业系统
支持 e-AI 的人机界面控制器可通过 AI、预测性维护和丰富的连接性实现智能控制。
High-Speed 5G to Wi-Fi Converter for CPE Block Diagram
客户端设备高速 5G 转 Wi-Fi 转换器
使用双频 4T4R Wi-Fi 6 将 5G 转换为 Wi-Fi,非常适合 5G 路由器和高效联网。
EV charger wall box block diagram features an MCU, multiple Pmod extensions, and versatile communication interfaces.
具有高端 HMI 的电车充电器壁挂式充电盒
多功能电车充电器提供 1 至 3 相选项,具有 IoT 连接和高级计量功能。
High Performance Power Solution for MPUs Block Diagram
面向 MPU 的高性能电源平台
该平台为 RZ/T2M 和 RZ/N2L MPU 提供了一个简单、低成本的电源树。
400ZR optical module block diagram features an MCU, PMIC, synchronous buck, and linear differential driver allowing for a compact and high-performance module.
400ZR 光模块
使用小型 400ZR 模块优化 DCI 链路上的 400Gb 以太网传输,以实现高性能和低功耗。
Wi-Fi-connected eetail scale block diagram features ready-to-use Wi-Fi 6 mPCIe board and SMARC SoM, and operates on a single 3.3V power supply.
Wi-Fi 连接的零售秤
Wi-Fi 6 零售秤支持快速交易、连接稳定、设计紧凑、用电高效。
Automated optical inspection block diagram utilizes a powerful MPU and M.2 Type E Wi-Fi/Bluetooth module featuring 4x4 MIMO antenna.
自动光学检测(AOI)
具有 DRP-AI 和 Wi-Fi 6 支持的强大 MPU,适用于高速、低延迟的 AOI 系统。

其他应用

  • 低压、高密度的电力系统
  • 高性能 DSP、FPGA、ASIC 和微处理器的负载点调节
  • 宽带、网络和光纤
  • 通信基础设施
  • 便携式仪器和电池供电设备
  • 固态硬盘(SSD)
  • 工业和医疗设备
  • 游戏、数字电视和机顶盒

当前筛选条件