跳转到主要内容
瑞萨电子 (Renesas Electronics Corporation)

特性

  • Isolation capabilities
    • Withstand Isolation voltage: 3.75kVrms
    • CMTI (Common Mode Transient Immunity): 150V/ns
  • Gate drive capabilities
    • Output peak current: ±10A
  • Protection/fault detection functions
    • On-chip active Miller clamp
    • Soft turn-off
    • Overcurrent protection (DESAT protection)
    • Under voltage lockout (UVLO)
      • VCC1: 4.1V
      • VCC2: 10V
    • Fault feedback by FOB pin and resetting of fault condition by RSTB pin
  • Operating temperature range: -40 to 125°C (Tj:150°C max.)
  • AEC-Q100 Qualified (Grade 1)

描述

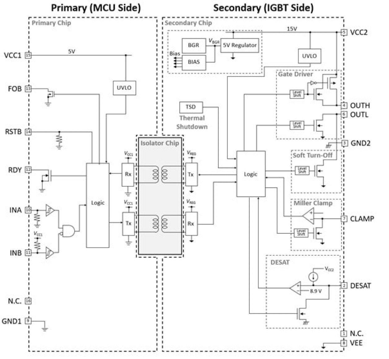
The RAJ2930004AGM is a gate driver IC for IGBT and SiC MOSFET gate-drive in high voltage inverter applications. Integrated 3750Vrms micro-isolators provide data transfer with high voltage isolation between the primary circuit (MCU side) and the secondary circuit (IGBT side). In addition, it boasts superior CMTI (Common Mode Transient Immunity) performance at 150 V/ns or higher, providing reliable communication and increased noise immunity while meeting the high voltages and fast switching speeds required in inverter systems.

This device contains a gate drive circuit, Miller clamp circuit, and soft turn-off circuit as well as several types of protection circuits such as overcurrent detection.

封装选项

Pkg. TypePkg. Dimensions (mm)Lead Count (#)Pitch (mm)
SOP167.5 x 10.3 x 2.3161.27

应用方框图

Humanoid battery management system block diagram features cell balancing and monitoring, charge and discharge protection, pack voltage and current sensing, battery pack control, communications, auxiliary power, and active cooling.
人形机器人电池管理系统
集成式人形机器人 BMS,可实现安全、实时的功率管理、保护及电池状态控制。
The block diagram of the xEV inverter platform with optimized pulse pattern features a precise PWM duty regulation, high‑resolution internal timing, and accurate pulse switching.
具有优化脉冲模式(OPP)的逆变器参考平台
采用 OPP 控制的高效 xEV 逆变器平台,可实现低失真、稳定扭矩和快速集成。
Low-voltage x-in-1 electric vehicle unit block diagram features a 48V inverter, onboard charger, DC/DC converter, and a motor control unit (EMU2).
多合一电动汽车单元
可实现高效电机控制、充电和 DC/DC 转换的集成式多合一电动汽车电源系统。
DC Fast Charging Station for Electric Vehicles Block Diagram
电动汽车直流快速充电站
直流快速充电站设计,采用高效 IGBT、栅极驱动器、MCU 和 PMIC。
xEV inverter with inductive position sensor block diagram features an MCU, PMIC, and gate driver ICs delivering high positional accuracy.
带电感式位置传感器(IPS)的 xEV 逆变器
高效 xEV 逆变器平台,可选配 IPS,成本更低、高精度定位,并且可靠性已经验证。
Motor Generator System Block Diagram
电机发电系统
高性能 xEV 电机控制设计,支持 ASIL C,配备锁步 CPU,并降低了 BOM 成本。

其他应用

  • Main inverters for EV/HEV in automotive applications
  • Converters for EV/HEV in automotive applications
  • Inverters and converters for industrial instruments

当前筛选条件