特性
- 工作电源电压:
- 桥电压:6V 至 65V (绝对最大值为 78V)
- 最大电压 (VM):6V 至 60V(最大绝对值 65V)
- 工作环境温度:-40 °C 至 105 °C
- 电源电流:
- MCU,VDD 电流:
HS 模式,fIH = 32MHz:5.2mA - 智能栅极驱动器:
工作模式:2mA,休眠模式:28μA
- MCU,VDD 电流:
- 8mm x 8mm 64 Ld QFN 封装 (0.4mm 间距)
- 用于 BLDC 应用的 3 相驱动器
- 全集成式电源架构
- 3 个差分放大器,适用于电流感测 (5, 10, 20, 40V/V)
- 用于无传感器电机驱动的 BEMF 感测放大器
- 用于霍尔传感器电机驱动的三个比较器
- 广泛的保护功能
- CPU:16 位 CISC CPU
- CPU 工作电压:3.3V至 5V
- 代码闪存:64KB,数据闪存:4KB,内存:5.5KB
- 串行阵列单元:2 个单元(CSI:2 通道,UART:1 通道,I2C:2 通道)
- GPIO:29 通道 - I/O:27 通道,输入:2 通道
- 定时器
- RJ/RG定时器:16位,1通道/1通道
- 电机控制定时器 RD:16位,2通道
- 定时器 RX:16位,1通道
- 10 位分辨率 A/D 转换器输入:11 通道
- 外部中断输入:10 通道
描述
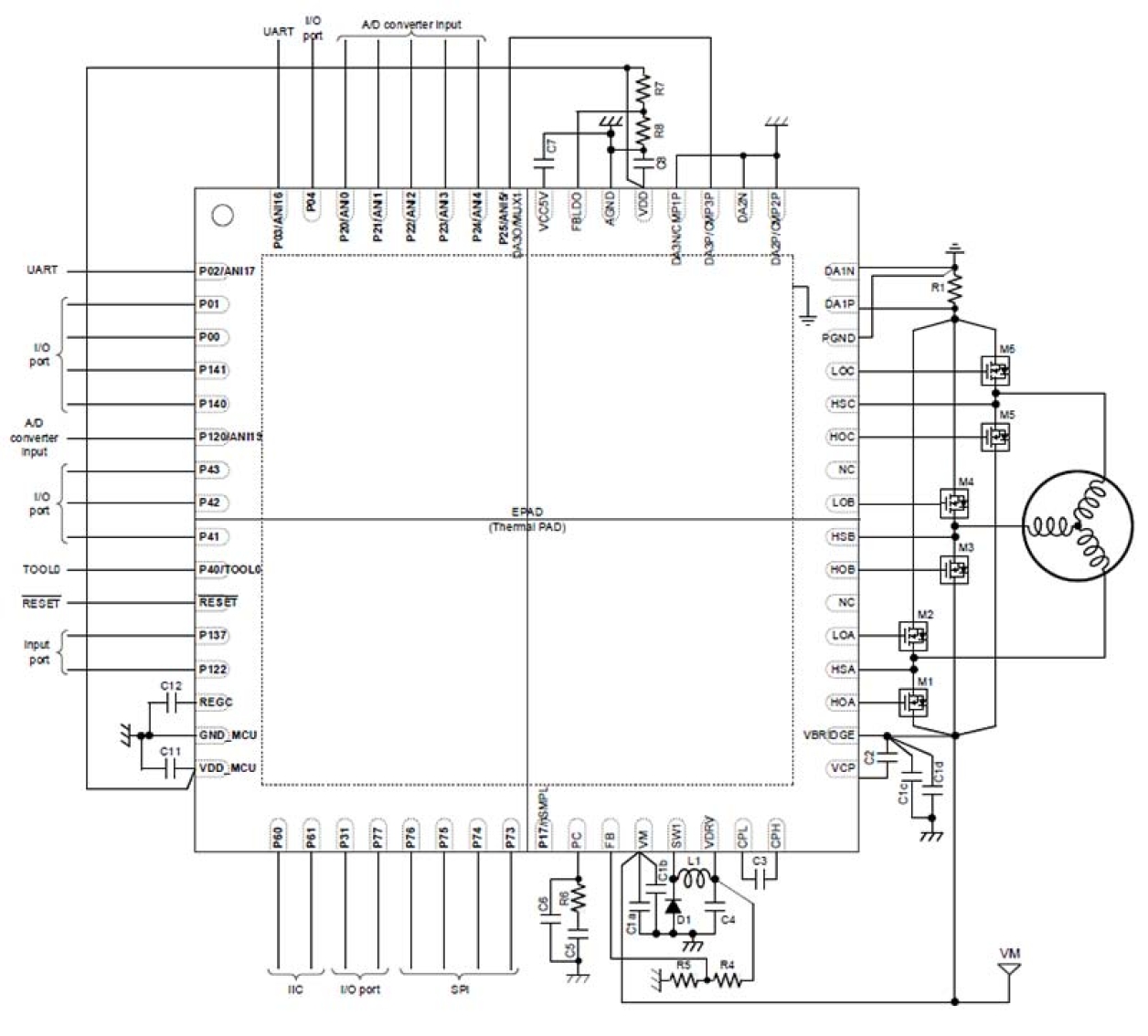
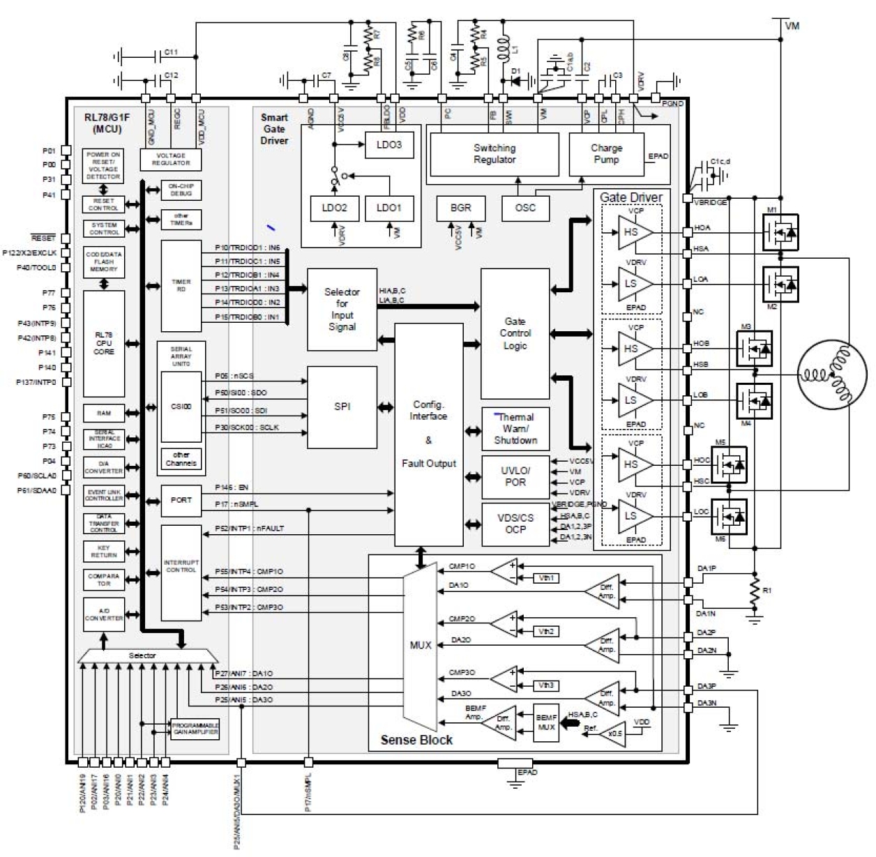
RAJ306102 是一款通用电机控制 IC,适用于三相无刷直流 (BLDC) 电机应用。 RAJ306102 将智能栅极驱动器 (RAA306012) 和 MCU (RL78/G1F) 集成在单一封装中。 智能栅极驱动器包括 3 个半桥栅极驱动器、1 个降压开关稳压器和 1 个用于栅极驱动电压的电荷泵、2 个用于内部模拟和逻辑电路以及 MCU 的 LDO(3.3V至5V 可调节)、3 个精确差分放大器、1 个 BEMF 感测放大器、3 个通用比较器以及广泛的保护功能。
3 个半桥栅极驱动器能够驱动多达 3 个 N 沟道MOSFET 桥,且支持 6V 至 65V 的桥电压。 每个栅极驱动器支持高达 0.64A 的拉电流及 1.28A 灌电流的峰值驱动电流,并具备可调节的驱动强度控制。 自适应且可调节的死区时间设计可确保产品兼具稳健性与灵活性。 主动栅极保持机制能够避免米勒效应引起的交叉传导现象,进一步增强了产品的稳健性。
3 个带可调增益的精确差分放大器支持每个桥的接地侧分流电流感测。 通过 3 个通用比较器或 1 个 BEMF 感测放大器,此IC可支持 BLDC 传感器/无传感器电机驱动。
应用
- 无线电动工具
- 户外电力设备
- 真空吸尘器
- 风扇
- 泵
- 机器人
- 医疗设备
当前筛选条件
筛选
软件与工具
样例程序
模拟模型
Reduces the overall footprint by 50% due to high integration and allows customers to use battery cells up to 14-cell Li-ion products. The RAJ306102 supports sensorless 150-degree drive with our proven Enhanced Induction Sensing and MRI technology.
This video shows how Renesas sensorless technology can operate in high torque with zero RPM conditions using the new RAJ306102 motor drive IC. The video will show proof of concept using a popular cordless drill to screw and unscrew a lag screw in high-density wood.