特性
- Bidirectional buck, boost, and buck-boost operation
- Input voltage range: 3.9V to 55V (no dead zone)
- Output voltage: 2.4V to 55V
- Passthrough mode in the forward direction
- Adapter current and battery current monitoring (AMON/BMON)
- Battery charging support
- Forward and reverse sleep modes
- 4mm × 4mm 32-lead TQFN package compatible with the ISL9238, RAA489108, and RAA489118 parts
描述
The RRB86848 is a bidirectional buck-boost voltage regulator designed for power tools, portable vacuums, lawn mowers, and additional system bus regulation for notebooks. It provides protection features and supports any USB-C interface platform, including USB Power Delivery (PD) Extended Power Range (EPR). The advanced Renesas R3™ technology ensures highly efficient light-load operation and fast transient response.
This regulator accepts input power from a wide range of DC power sources, such as AC/DC adapters, USB PD ports, and travel adapters, and safely converts it to a regulated voltage. It also supports reverse operation, converting a wide-range DC power source at the output to a regulated voltage at the input, offering flexibility for diverse applications.
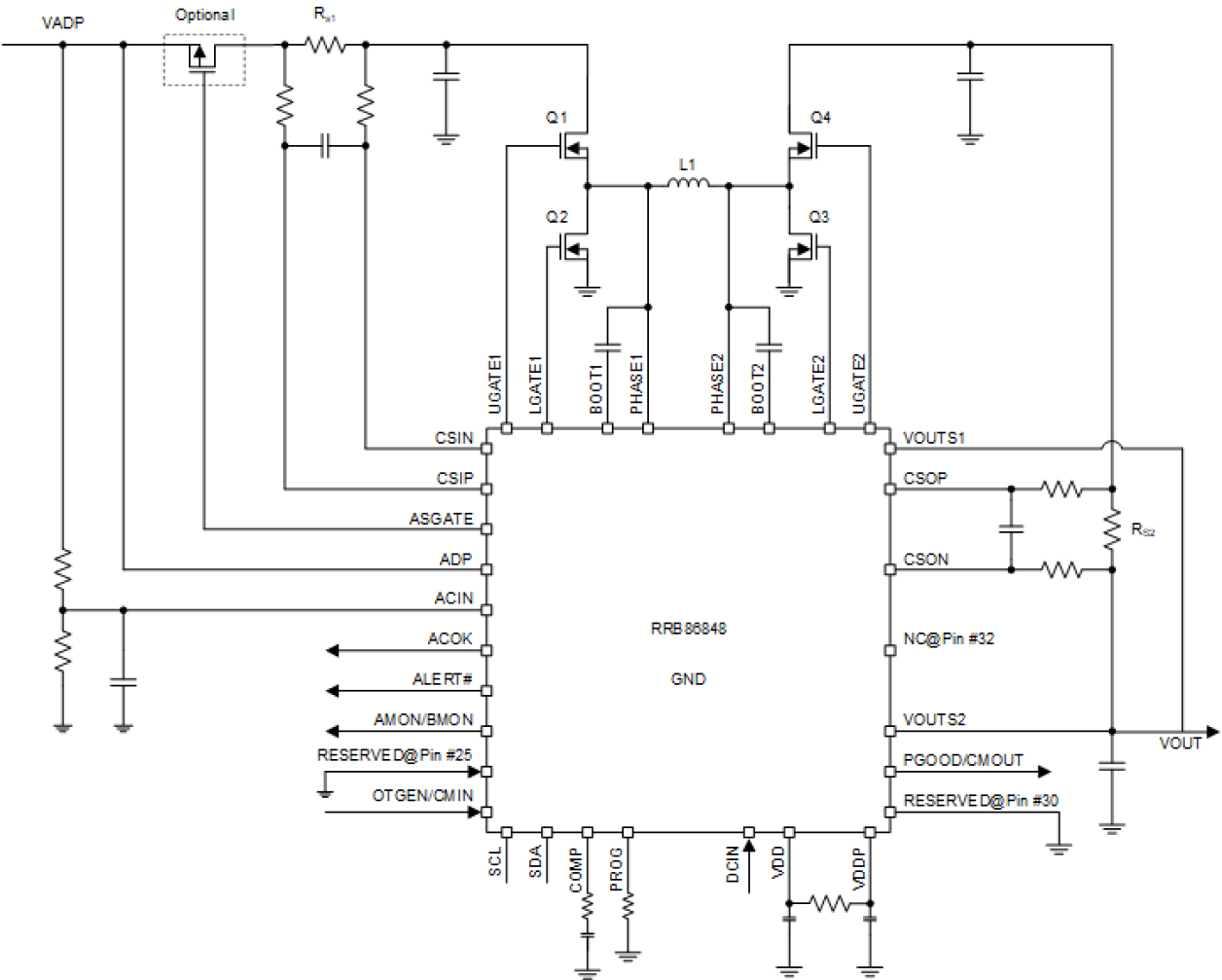
The RRB86848 offers programming resistor options to set output voltage, adapter current limits, and output current limits. Additionally, its serial communication interface allows programming of critical parameters, enabling a fully customized solution.
产品参数
| 属性 | 值 |
|---|---|
| Topology [Rail 1] | Buck-Boost |
| Outputs (#) | 1 |
| Input Voltage (Min) (V) | 3.9 |
| Input Voltage (Max) (V) | 55 |
| Output Voltage (Min) (V) | 2.4 |
| Output Voltage (Max) (V) | 55 |
| Quiescent Current | 50 µA |
| Switching Frequency Range (Typical) (kHz) | 377 - 948 |
| SYNCH Capability | No |
| Parallelable | No |
| Bi-direction | Yes |
| Control Type | Hysteretic Mode |
| Temp. Range (°C) | -10 to +100°C, -40 to +100°C |
封装选项
| Pkg. Type | Pkg. Dimensions (mm) | Lead Count (#) | Pitch (mm) |
|---|---|---|---|
| TQFN | 4.0 x 4.0 x 0.70 | 32 | 0.4 |
产品对比
| RRB86848 | RAA489800 | |
| Input Voltage (Min) (V) | 3.9 | 3.8 |
| Input Voltage (Max) (V) | 55 | 23 |
| Output Voltage (Min) (V) | 2.4 | 2 |
| Output Voltage (Max) (V) | 55 | 21 |
| Switching Frequency Range (Typical) | 377 - 948 | 620 - 1000 |
应用方框图
| 140W-240W 双端口 USB Type-C 和 USB PD 充电器 这款 USB 充电器系统可提供高达 240W 的功率,实现快速灵活的双 USB-C 充电,并具有强大的安全防护机制。 |
其他应用
- Voltage regulation for docking stations and other applications using USB-C EPR inputs or outputs
- Battery charging for lawn mowers and other lawn tools, e-bikes, power tools, and power banks
当前筛选条件