特性
- Four separate potentiometers in one package
- 256 resistor taps–0.4% resolution
- 2-wire serial interface for write, read, and transfer operations of the potentiometer
- Wiper resistance: 100Ω typical at VCC = 5V
- 4 nonvolatile data registers for each potentiometer
- Nonvolatile storage of multiple wiper positions
- Standby current <5µA max
- VCC: 2.7V to 5.5V operation
- 50kΩ version of total resistance
- Endurance: 100,000 data changes per bit per register
- 100 year data retention
- Single supply version of X9258
- 24 Ld SOIC, 24 Ld TSSOP
- Low power CMOS
- Pb-Free (RoHS compliant)
描述
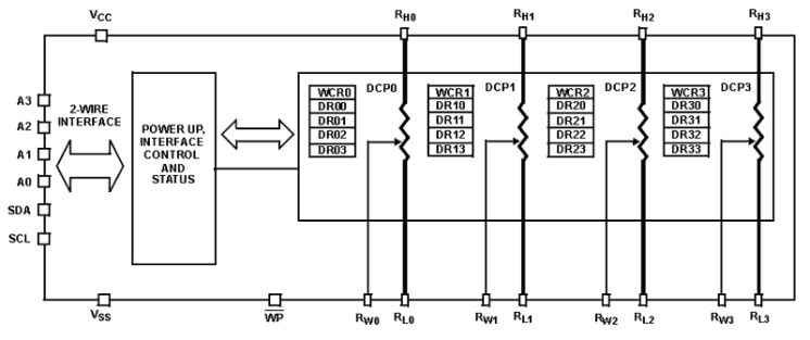
The X9259 integrates four digitally controlled potentiometers (XDCP) on a monolithic CMOS integrated circuit. The digitally controlled potentiometers are implemented with a combination of resistor elements and CMOS switches. The position of the wipers are controlled by the user through the 2-wire bus interface. Each potentiometer has associated with it a volatile Wiper Counter Register (WCR) and four nonvolatile Data Registers that can be directly written to and read by the user. The content of the WCR controls the position of the wiper. At power-up, the device recalls the content of the default Data Registers of each DCP (DR00, DR10, DR20, and DR30) to the corresponding WCR. The XDCP can be used as a three-terminal potentiometer or as a two-terminal variable resistor in a wide variety of applications including control, parameter adjustments, and signal processing.
产品参数
属性 | 值 |
---|---|
Resistance Taper | Linear |
Taps (#) | 256 |
Resistance Options (kΩ) | 50 |
Channels (#) | 4 |
Interface | 2-Wire |
Memory Type | Nonvolatile |
Supply Voltage Vcc Range | 2.7 to 5.5 |
Supply Current Icc (µA) | 5 |
Single Supply Voltage Range (V) | 0 - 5.5 |
Wiper Current (mA) | 3 |
Wiper Resistance (ohms) | 220 |
VL Terminal Voltage (Min) (V) | 0 |
VL Terminal Voltage (Max) (V) | 5.5 |
End-to-End Temperature Coefficient (ppm/°C) | 300 |
Middlepoint Ratiometric Tempco | 20 |
Qualification Level | Standard |
封装选项
Pkg. Type | Pkg. Dimensions (mm) | Lead Count (#) | Pitch (mm) |
---|---|---|---|
TSSOP | 7.8 x 4.4 x 0.90 | 24 | 0.7 |
应用
- Vary the gain of a voltage amplifier
- Provide programmable dc reference voltages for comparators and detectors
- Control the volume in audio circuits
- Trim out the offset voltage error in a voltage amplifier circuit
- Set the output voltage of a voltage regulator
- Trim the resistance in Wheatstone bridge circuits
- Control the gain, characteristic frequency and Q-factor in filter circuits
- Set the scale factor and zero point in sensor signal conditioning circuits
- Vary the frequency and duty cycle of timer ICs
- Vary the dc biasing of a pin diode attenuator in RF circuits
- Provide a control variable (I, V, or R) in feedback circuits
- System Level Applications
- Adjust the contrast in LCD displays
- Control the power level of LED transmitters in communication systems
- Set and regulate the DC biasing point in an RF power amplifier in wireless systems
- Control the gain in audio and home entertainment systems
- Provide the variable DC bias for tuners in RF wireless systems
- Set the operating points in temperature control systems
- Control the operating point for sensors in industrial systems
- Trim offset and gain errors in artificial intelligent systems
当前筛选条件