| CAD 模型: | View CAD Model |
| Pkg. Type: | TSSOP |
| Pkg. Code: | PGG20 |
| Lead Count (#): | 20 |
| Pkg. Dimensions (mm): | 6.5 x 4.4 x 1.0 |
| Pitch (mm): | 0.65 |
| Moisture Sensitivity Level (MSL) | 1 |
| Pb (Lead) Free | Yes |
| ECCN (US) | EAR99 |
| HTS (US) | 8542.39.0090 |
| Lead Count (#) | 20 |
| Carrier Type | Tube |
| Moisture Sensitivity Level (MSL) | 1 |
| Qty. per Reel (#) | 0 |
| Qty. per Carrier (#) | 74 |
| Pb (Lead) Free | Yes |
| Pb Free Category | e3 Sn |
| Temp. Range (°C) | 0 to 70°C |
| Core Voltage (V) | 3.3 |
| Function | Buffer, Multiplexer |
| Input Freq (MHz) | 650 |
| Input Type | Crystal, HCSL, HSTL, LVDS, LVPECL, SSTL |
| Inputs (#) | 2 |
| Length (mm) | 6.5 |
| MOQ | 3034 |
| Output Banks (#) | 1 |
| Output Freq Range (MHz) | 650 |
| Output Skew (ps) | 30 |
| Output Type | LVPECL |
| Output Voltage (V) | 3.3 |
| Outputs (#) | 4 |
| Package Area (mm²) | 28.6 |
| Pitch (mm) | 0.65 |
| Pkg. Dimensions (mm) | 6.5 x 4.4 x 1.0 |
| Pkg. Type | TSSOP |
| Requires Terms and Conditions | Does not require acceptance of Terms and Conditions |
| Tape & Reel | No |
| Thickness (mm) | 1 |
| Width (mm) | 4.4 |
| 已发布 | No |
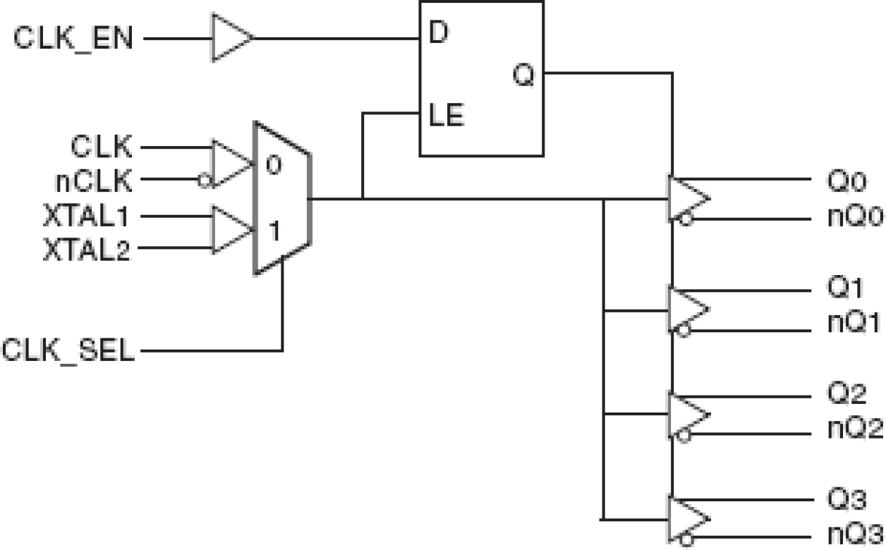
The 8533-11 is a low skew, high performance 1-to-4 Crystal Oscillator/Differential-to-3.3V LVPECL fanout buffer. The 8533-11 has selectable differential clock or crystal inputs. The CLK, nCLK pair can accept most standard differential input levels. The clock enable is internally synchronized to eliminate runt pulses on the outputs during asynchronous assertion/deassertion of the clock enable pin. Guaranteed output and part-to-part skew characteristics make the 8533-11 ideal for those applications demanding well defined performance and repeatability.