跳转到主要内容
瑞萨电子 (Renesas Electronics Corporation)

特性

  • Low Power Consumption: 50µA, Typ
  • Supply Range: 2.7V to 28V
  • Wide Common Mode Input: 0V to 28V
  • Gain Versions
  • ISL28006-100: 100V/V
  • ISL28006-50: 50V/V
  • ISL28006-20: 20V/V
  • ISL28006-ADJ: ADJ (Min Gain = 20V/V)
  • Operating Temperature Range: -40°C to +125°C
  • Packages: 5 Ld SOT-23, 6 Ld SOT-23

描述

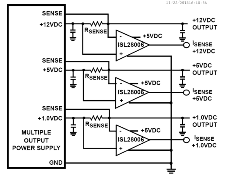
The ISL28006 is a micropower, uni-directional high-side and low-side current sense amplifier featuring a proprietary rail-to-rail input current sensing amplifier. The ISL28006 is ideal for high-side current sense applications where the sense voltage is usually much higher than the amplifier supply voltage. The device can be used to sense voltages as high as 28V when operating from a supply voltage as low as 2. 7V. The micropower ISL28006 consumes only 50µA of supply current when operating from a 2. 7V to 28V supply. The ISL28006 features a common-mode input voltage range from 0V to 28V. The proprietary architecture extends the input voltage sensing range down to 0V, making it an excellent choice for low-side ground sensing applications. The benefit of this architecture is that a high degree of total output accuracy is maintained over the entire 0V to 28V common mode input voltage range. The ISL28006 is available in fixed (100V/V, 50V/V, 20V/V and Adjustable) gains in the space saving 5 Ld SOT-23 package and the 6 Ld SOT-23 package for the adjustable gain part. The parts operate over the extended temperature range from -40°C to +125°C.

产品参数

属性
VS (Min) (V)2.7
VS (Max) (V)28
PSRR (db)105
CMRR (dB)115
Common Mode Input Range (V)28
G (V/V)20 - 20, 50 - 50, 100 - 100
IS per Amp (mA)0.05
Offset Voltage (Max) (mV)0.25
Qualification LevelStandard

封装选项

Pkg. TypePkg. Dimensions (mm)Lead Count (#)Pitch (mm)
SOT232.9 x 1.6 x 0.0051
SOT232.9 x 1.6 x 0.0061

应用方框图

Universal USB PD Lab Power Supply & Monitor Block Diagram
通用 USB PD 实验室电源和显示器
USB PD 便携式电源电压最高可达 48V,可满足工程师在现场工作应用或移动应用中的需求。

其他应用

  • Power Management/Monitors
  • Power Distribution and Safety
  • DC/DC, AC/DC Converters
  • Battery Management/Charging
  • Automotive Power Distribution

当前筛选条件