跳转到主要内容
瑞萨电子 (Renesas Electronics Corporation)

特性

  • Adaptive quasi-resonant (QR) control with CCM operation for improved low-line performance
    • Reduces power loss at low line voltages
    • Reduces overall transformer and passive component sizes
  • Adaptive, seamless multi-mode control (MMC) improves efficiency and eliminates audible noise
  • AC unplug detection
  • Rich protection for:
    • Overvoltage (OVP)
    • Overcurrent (OCP)
    • User-configurable over-temperature
    • Shoot-through
    • Brown-in/Brown-out
    • VSENSE/ISENSE short
    • Output short
    • Extra primary-side OCP and OVP if optocoupler fails
  • Intelligent, eco-friendly low standby power <20mW
  • Supports USB Power Delivery 3.0 with PPS (iW709)
  • Hardwired state-machine solution prevents hacking of fast chargers. To learn more, see our "RapidCharge™ Controllers Prevent Fast Charger Hacking" blog

描述

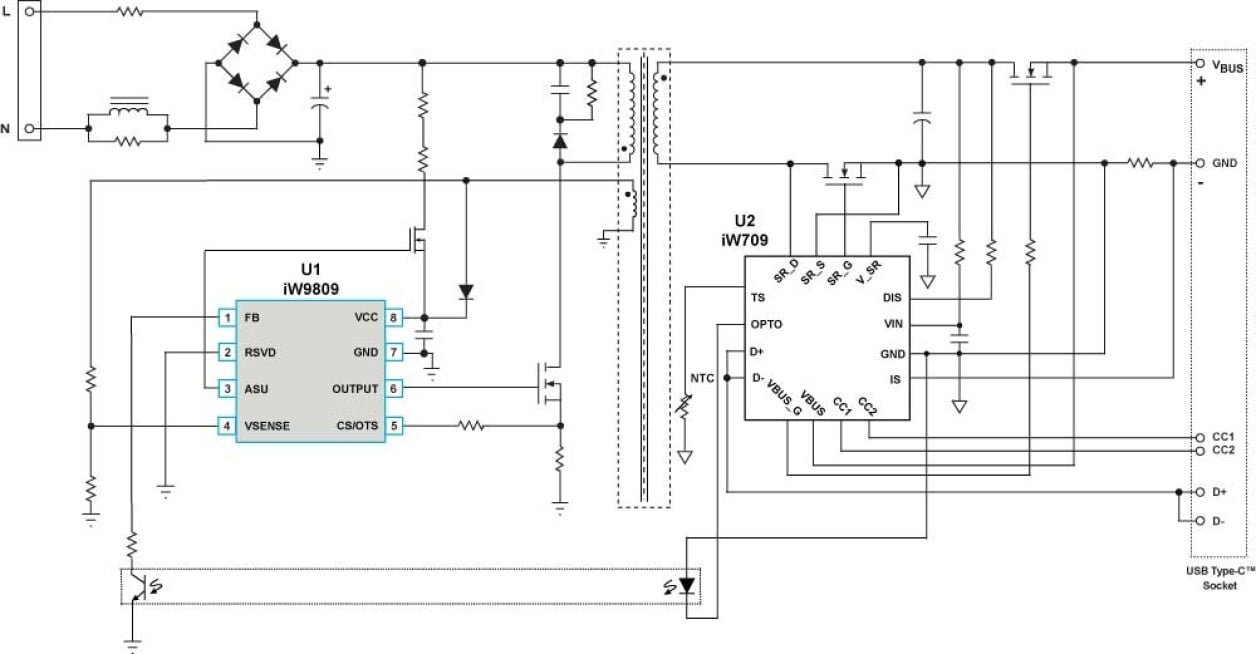
The iW9809 digital AC/DC controller integrates Renesas' patented quasi-resonant (QR) valley mode switching technology along with both CCM and DCM operation to enable ultra-small, lightweight, low cost, and easily portable power supplies for smartphones, tablets and other portable products. The device operates in adaptive QR mode with CCM operation at low line voltage, enabling smaller passive components and lower overall total BOM cost. The iW9809 supports USB Power Delivery 3.0 with Programmable Power Supply (USB-PD PPS), along with other RapidCharge protocols at output powers up to 65W.

The iW9809 pairs with Renesas' iW709 secondary-side IC, which integrates fast charge protocol support, USB Type-C control and synchronous rectification FET control. The combined chipset offers a complete high power density AC/DC charging solution, efficiencies up to 90% and advanced protection features to enable high power charging with safe, cool operation in a small physical charger size.

产品参数

属性
Topology CharacteristicSSR Flyback
Control ModePeak Current Mode DCM
UVLO Rising (V)20
UVLO Falling (V)7
VBIAS (Max) (V)43
PWMs (#)1
FET Driver Output Current (Max) (A)1
Output Power Max (W)65
Switching Frequency (KHz)70 - 75
No Load Power (mW)20
Controller / IntegratedController
Advanced FeaturesCable Fault Protection
Temp. Range (°C)-40 to +125°C
Qualification LevelStandard

封装选项

Pkg. TypeLead Count (#)Pitch (mm)
SOIC-881.27

应用方框图

Interactive block diagram of the hand blender features 8-cell BMS, AC/DC 100W charger with QR topology, and MCU which controls a single-phase BLDC motor.
无线 BLDC 手持式搅拌机
搭载 BLDC 电机并具有快充和多种转速控制功能的轻便型多用途无线手持式搅拌机。

其他应用

  • Low cost, ultra-small, lightweight 65W RapidCharge AC/DC power supplies and adapters for smartphones, tablets and other portable devices using USB PD

当前筛选条件