跳转到主要内容
Low Voltage 2.5V/3.3V Differential ECL/PECL/HSTL Fanout Buffer

封装信息

CAD 模型: View CAD Model
Pkg. Type: TQFP
Pkg. Code: PRG32
Lead Count (#): 32
Pkg. Dimensions (mm): 7.0 x 7.0 x 1.4
Pitch (mm): 0.8

环境和出口类别

Pb (Lead) Free Yes
Moisture Sensitivity Level (MSL) 3
ECCN (US)
HTS (US)

产品属性

Pkg. Type TQFP
Lead Count (#) 32
Pb (Lead) Free Yes
Carrier Type Reel
Additive Phase Jitter Typ RMS (fs) 450
Additive Phase Jitter Typ RMS (ps) 0.45
Core Voltage (V) 2.5V, 3.3V
Function Buffer
Input Freq (MHz) 3000
Input Type LVPECL
Inputs (#) 2
Length (mm) 7
MOQ 2000
Moisture Sensitivity Level (MSL) 3
Output Banks (#) 2
Output Freq Range (MHz) 3000
Output Skew (ps) 30
Output Type LVPECL
Output Voltage (V) 2.5V, 3.3V
Outputs (#) 10
Package Area (mm²) 49
Pb Free Category e3 Sn
Pitch (mm) 0.8
Pkg. Dimensions (mm) 7.0 x 7.0 x 1.4
Qty. per Carrier (#) 0
Qty. per Reel (#) 2000
Reel Size (in) 13
Requires Terms and Conditions Does not require acceptance of Terms and Conditions
Tape & Reel Yes
Temp. Range (°C) 0 to 70°C
Thickness (mm) 1.4
Width (mm) 7
已发布 No

描述

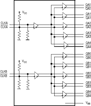
The MC100ES6210 is designed for low skew clock distribution systems and supports clock frequencies up to 3GHz. The device consists of two independent 1:5 clock fanout buffers. The input signal of each fanout buffer is distributed to five identical, differential ECL/ PECL outputs. Both CLKA and CLKB inputs can be driven by ECL/PECL compatible signals. If VBB is connected to the CLKA or CLKB input and bypassed to GND by a 10nF capacitor, the MC100ES6210 can be driven by single-ended ECL/PECL signals utilizing the VBB bias voltage output. In order to meet the tight skew specification of the device, both outputs of a differential output pair should be terminated, even if only one output is used. In the case where not all ten outputs are used, the output pairs on the same package side as the parts being used on that side should be terminated. The MC100ES6210 can be operated from a single 3.3V or 2.5V supply. As most other ECL compatible devices, the MC100ES6210 supports positive (PECL) and negative (ECL) supplies. The is function and pin compatible to the MC100EP210.