特性
- Qualified for Renesas Rad Tolerant Screening and QCI Flow (R34TB0004EU)
- Separate 2.7V to 5.5V bias rail and 0.75V to 5.5V LDO input rail
- 3A sourcing and sinking low-dropout regulator with 600μV dead band crossover
- Internal buffered reference amplifier provides VREF = VDDQ/2 for DDR applications
- Internal 0.5V voltage reference for standard LDO applications
- Low 122mV typical dropout at 3A sourcing in DDR4 configuration
- Individual OCP setting for source and sink from 300mA to 3A
- Optional LDO and buffer output discharge function
- Externally adjustable soft-start
- TID Radiation Lot Acceptance Testing (RLAT) (LDR: ≤ 10mrad(Si)/s)
- ISL75055M30NEZ: 30krad(Si)
- ISL75055M50NEZ: 50krad(Si)
- SEE Characterization
- No DSEE for VIN = 6.2V, VCC = 6.9V at 46MeV•cm2/mg
- VOUT and BUF-OUT SET < 2% at 46MeV•cm2/mg
- |VOUT - BUF-OUT| SET < 40mV at 46MeV•cm2/mg
- SEFI < 0.18μm2 at 46MeV•cm2/mg
描述
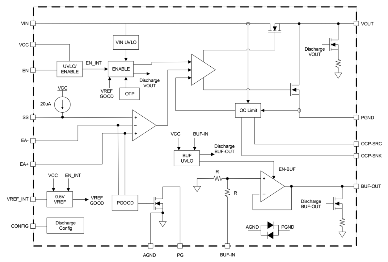
The ISL75055M is a radiation tolerant, low-dropout linear regulator designed for powering the VTT termination rail and VREF reference supply for Double Data Rate (DDR) memory modules or for use as a general-purpose LDO. It is capable of sourcing and sinking 3A of current with just 600µV of dead band crossover and has separate 2.7V to 5.5V bias and 0.75V to 5.5V LDO input rails to minimize internal losses while maintaining highly accurate output regulation. Protection features include individual adjustable overcurrent protection for both sourcing and sinking, as well as over-temperature protection.
The ISL75055M is offered in a 48-lead Thin Plastic Quad Flatpack Exposed Pad Package (TQFP-EP) and operates across the full military temperature range of -55°C to +125°C.
产品参数
| 属性 | 值 |
|---|---|
| Rating | Space |
| IOUT (A) | 3 |
| Supply Voltage (min) (V) | 0.75 - 0.75 |
| Supply Voltage (max) (V) | 5.5 - 5.5 |
| Input Voltage (Min) (V) | 2.7 |
| Input Voltage (Max) (V) | 5.5 |
| VDO @ IOUTMAX (Typ) (mV) | 122 |
| VOUT (min) (V) | 0.5 |
| VOUT (max) (V) | 4.1 |
| Temp. Range (°C) | -55 to +125°C |
| TID LDR (krad(Si)) | 30, 50 |
| DSEE (MeV·cm2/mg) | 46 |
| Flow | RT Plastic |
| Qualification Level | Radiation Tolerant Plastic |
| Die Sale Availability? | No |
| PROTO Availability? | No |
封装选项
| Pkg. Type | Pkg. Dimensions (mm) | Lead Count (#) | Pitch (mm) |
|---|---|---|---|
| TQFP-EP | 7.0 x 7.0 x 1.00 | 48 | 0.5 |
产品对比
| ISL75055M | ISL73051ASEH | ISL75051ASEH | ISL75054M | |
| Supply Voltage (min) | .75 - .75 | 2.2 - 2.2 | 2.2 - 2.2 | 2.7 - 2.7 |
| Supply Voltage (max) | 5.5 - 5.5 | 6 - 6 | 6 - 6 | 30 - 30 |
| VOUT (min) (V) | 0.5 | 0.8 | 0.8 | 0.5 |
| VOUT (max) (V) | 4.1 | 5 | 5 | 29.5 |
| Pkg. Type | TQFP-EP | CFP, DIE | CFP, DIE | TSSOP-EP |
| Lead Count (#) | 48 | 18 | 18 | 16 |
| IOUT (A) | ±3 | 3 | 3 | 1 |
| Flow | RT Plastic | RH Hermetic | RH Hermetic | RT Plastic |
应用
- DDR, DDR2, DDR3, and DDR4 memory VTT termination rail and buffered VREF reference
- Low noise supply rail for FPGA, DSP, and ASIC
- General-purpose LDO rails
- Two-quadrant supply for sourcing or sinking up to 3A of current
当前筛选条件