特性
- VPACK voltages: 5V to 44V
- Hot plug tolerance
- Built-in low-side FET drivers
- Charger/Load presence detection
- Cell open wire and system checks
- Autonomous detection and actions
- High Voltage GPIO (HVGPIO) fuse blow configurable
- Support for a wide range of current-sense resistors
描述
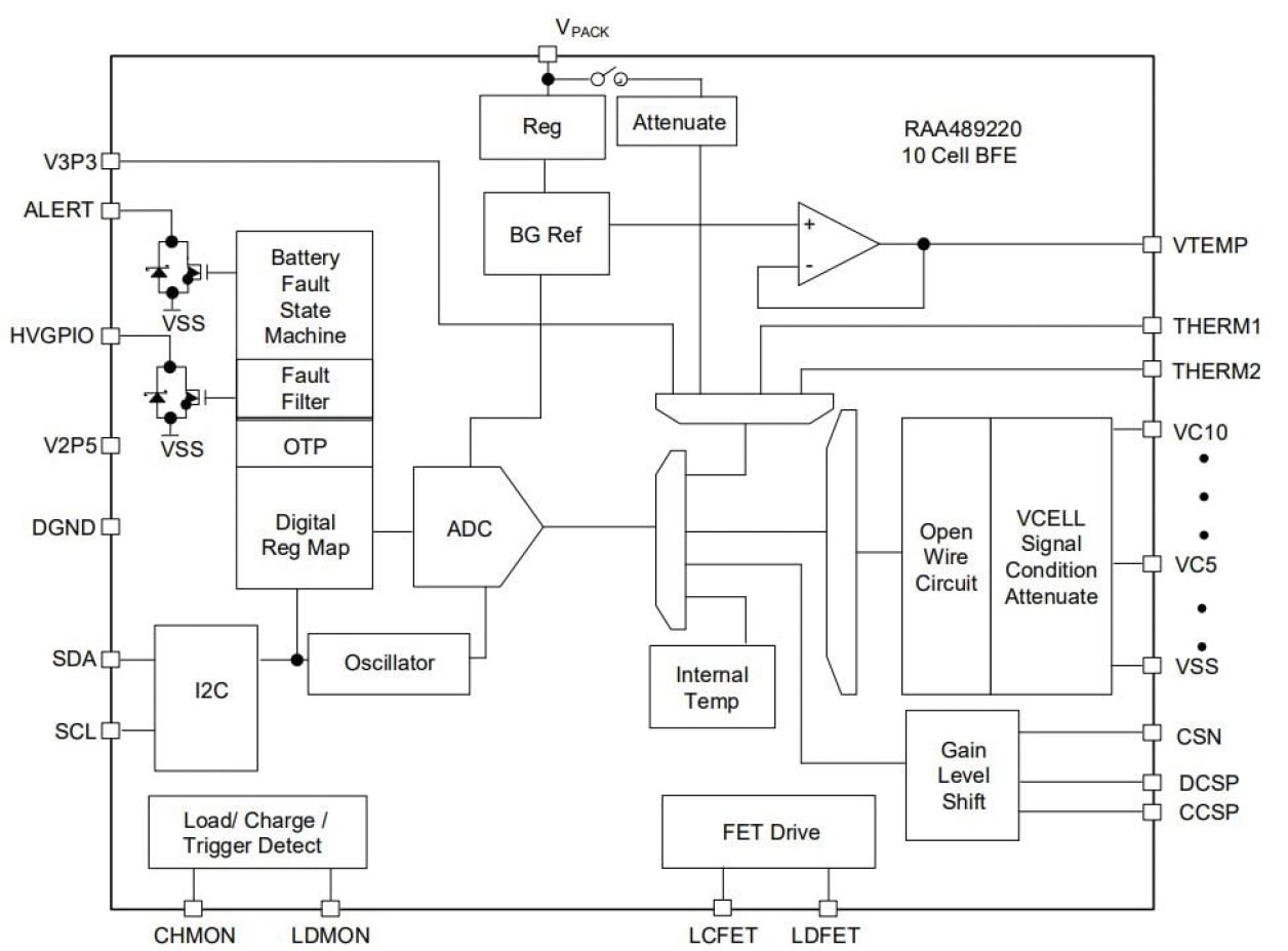
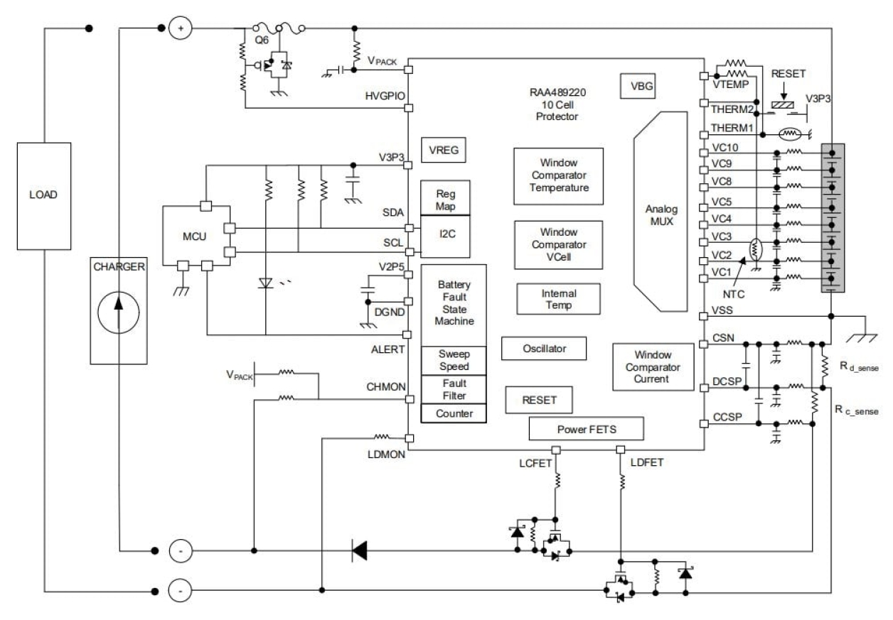
The RAA489220 is a highly integrated 4 to 10-cell battery front-end ideal for industrial applications requiring safety, flexible operation, and low-side protection FETs. The RAA489220 monitors cell and battery voltages, temperatures, and current, supports both an auto-scan mode and programmed scan sequence, provides internal self and system checks, can respond to fault conditions autonomously, and includes other helpful features like a fuse blow, and load and charge detection. For applications like power tools, vacuums, and garden tools, the RAA489220 is a perfect compromise between cost, size, and function.
产品对比
| RAA489220 | RAA489206 | RAA489204 | ISL94208 | ISL94202 | ISL94212A | |
| Cells Supported | 4 - 10 | 4 - 16 | 6 - 14 | 4 - 6 | 3 - 8 | 6 - 12 |
| Cell Balancing FETs | None | External (Built-in Drivers), Internal (Built-in Drivers) | External (Built-in Drivers), Internal (Built-in Drivers) | Both | External (Built-in Drivers) | Both, External (Built-in Drivers) |
| Charge/Discharge FET Location | Low Side | Both | N/A | Low Side | High Side | N/A |
| Sleep Mode Current (µA) | 3 | 10 | 19 | 2 | 13 | 12, 14 |
| Stand Alone Capable | State Machine | No | No | No | State Machine | No |
产品参数
| 属性 | 值 |
|---|---|
| Cells Supported (#) | 4 - 10 |
| Pack Voltage (Op) | 5 - 44 |
| Cell Balancing FETs | None |
| Integrated Current Sense/Detection | Low Side |
| Charge/Discharge FET Control | Yes |
| Charge/Discharge FET Arrangement | Both |
| Charge/Discharge FET Location | Low Side |
| IS (mA) | 0.11 |
| Sleep Mode Current (µA) | 3 |
| Stand Alone Capable | State Machine |
| Internal ADC (bits) | 16 |
| Daisy Chain | No |
| GPI+GPIOs (#) | 1 |
| Qualification Level | Standard |
| Temp. Range (°C) | -40 to +85°C |
封装选项
| Pkg. Type | Pkg. Dimensions (mm) | Lead Count (#) | Pitch (mm) |
|---|---|---|---|
| QFN | 4.0 x 4.0 x 0.90 | 32 | 0.4 |
应用方框图
|
|
USB PD 充电器电池管理
高效 USB PD 充电器电池管理系统支持高达 240W 功率输出、多电池组管理及电量计量。
|
其他应用
- Power tools
- Garden tools
- Vacuums
- Mobility
- Robotics
当前筛选条件
筛选
软件与工具
样例程序
模拟模型
An overview of how the Renesas multi-cell battery front devices streamline development for high-cell count, high-voltage systems with flexible cell balancing and lower system costs. Visit renesas.com/bfe for more details.
新闻和博客
博客
2021年11月11日
|
新闻
2021年11月11日
|