跳转到主要内容
瑞萨电子 (Renesas Electronics Corporation)

特性

  • Dual 3A High Efficiency Synchronous Buck Regulator with up to 95% Efficiency
  • 2% Output Accuracy Over-Temperature/Load/Line
  • Internal Digital Soft-Start - 1.5ms
  • External Synchronization up to 6MHz (ISL8033)
  • Internal Current Mode Compensation
  • Peak Current Limiting and Hiccup Mode Short Circuit Protection
  • Adjustable Peak Overload Current
  • Negative Current Protection
  • Pb-Free (RoHS Compliant)

描述

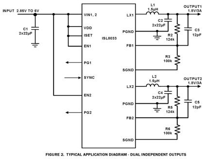
ISL8033 is a dual integrated power controller rated for 3A per channel with a 1MHz step-down regulator that is ideal for any low power low-voltage applications. The ISL8033A offers 2. 5MHz operation for smaller more compacted design. The channels are 180° out-of-phase for input RMS current and EMI reduction. It is optimized for generating low output voltages down to 0. 8V each. The supply voltage range is from 2. 85V to 6V, allowing for the use of a single Li+ cell, three NiMH cells or a regulated 5V input. It has a guaranteed minimum output current of 3A each when ISET is connected to VDD. The output current of each output is selectable by setting ISET pin. The ISL8033, ISL8033A includes a pair of low ON-resistance P-Channel and N-Channel internal MOSFETs to maximize efficiency and minimize external component count. 100% dutycycle operation allows less than 250mV dropout voltage at 3A. The ISL8033, ISL8033A offers an independent 1ms Power-Good (PG) timer at power-up. When shutdown, ISL8033, ISL8033A discharges the output capacitor. Other features include internal digital soft-start, enable for power sequence, controllable softstop output discharge during disabled, start-up with pre-biased output, 100% maximum duty cycle for lowest dropout, 100% duty cycle operation for smooth transition, less than 8µA logic controlled shutdown current, independent enable, overcurrent protection, and thermal shutdown. The ISL8033, ISL8033A is offered in a 24 Ld 4mmx4mm QFN package with 1mm maximum height. The complete converter occupies less than 5. 46cm2 area.

产品参数

属性
Topology [Rail 1]Buck
Outputs (#)2
Input Voltage (Min) [Rail 1] (V)2.85
Input Voltage (Max) [Rail 1] (V)6 - 6
Output Voltage (Min) [Rail 1] (V)0.8
Output Voltage (Max) [Rail 1] (V)6
Output Current (Max) [Rail 1] (A)3
Switching Frequency Range (Typical) (kHz)1000 - 1000
Control TypeCurrent Mode
Peak Efficiency (%)95
IQ [Rail 1] (µA)15000
SYNCH CapabilityYes
Qualification LevelStandard
Temp. Range (°C)-40 to +85°C
Simulation Model AvailableiSim

封装选项

Pkg. TypePkg. Dimensions (mm)Lead Count (#)Pitch (mm)
QFN4.0 x 4.0 x 0.90240.5

应用方框图

Power Sequencer & I/O Expander for Printers (PPC/MFP) Block Diagram
打印机电源排序器和 I/O 扩展器(PPC 或 MFP)
基于 MCU 的电源定序器和 I/O 扩展器,适用于高性能 PPC 或 MFP 打印机。
Automated optical inspection block diagram utilizes a powerful MPU and M.2 Type E Wi-Fi/Bluetooth module featuring 4x4 MIMO antenna.
自动光学检测(AOI)
具有 DRP-AI 和 Wi-Fi 6 支持的强大 MPU,适用于高速、低延迟的 AOI 系统。

其他应用

  • DC/DC POL Modules
  • µC/µP, FPGA and DSP Power
  • Plug-in DC/DC Modules for Routers and Switchers
  • Test and Measurement Systems
  • Li-ion Battery Power Devices
  • Bar Code Readers

当前筛选条件