特性
- Idle Mode Supply Current: 85μA
- Low Power Mode Supply Current: 1.9μA
- VPACK Voltages: 6V to 27V
- High Hot Plug Rating: 21V
- CELL Measurement Accuracy: ±12mV
- Open Wire and System Checks
- 6 High Voltage GPIOs (HVGPIO)
描述
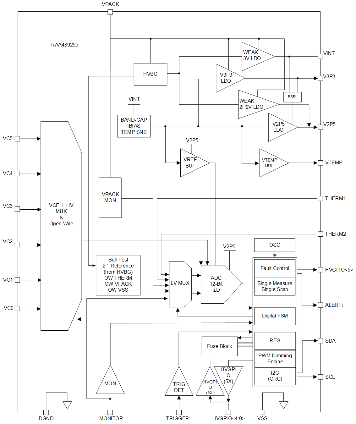
The RAA489255 is a 3-cell to 5-cell battery monitor optimized for packs with MCU control, providing battery health monitoring. It measures pack voltage, cell voltage, external temperature, and internal temperature under serial instructions from the master. System and internal checks continuously track device health and system status. The RAA489255 uses an I²C interface with cyclic redundancy check (CRC) for reliable MCU communication and provides six open‑drain high‑voltage GPIOs to drive LEDs or blow fuses.
With an average idle current of 85 µA, the RAA489255 minimizes power consumption to maximize battery storage and discharge life. It is offered in a compact 32‑pin 4mm × 4mm QFN package for efficient board integration.
产品参数
| 属性 | 值 |
|---|---|
| Cells Supported (#) | 3 - 5 |
| Pack Voltage (Op) | 6 - 27 |
| Cell Balancing FETs | None |
| Integrated Current Sense/Detection | Wakeup Only |
| Charge/Discharge FET Control | No |
| Charge/Discharge FET Arrangement | None |
| Charge/Discharge FET Location | N/A |
| IS (mA) | 0.09 |
| Sleep/Reset Mode Current (µA) | 2 |
| Stand Alone Capable | No |
| Internal ADC (bits) | 12 |
| Daisy Chain | No |
| GPI+GPIOs (#) | 5 |
| Qualification Level | Standard |
| Temp. Range (°C) | -40 to +85°C |
封装选项
| Pkg. Type | Pkg. Dimensions (mm) | Lead Count (#) | Pitch (mm) |
|---|---|---|---|
| QFN | 4.0 x 4.0 x 0.90 | 32 | 0.4 |
产品对比
| RAA489255 | ISL94202 | RAA489204 | RAA489206 | RAA489220 | RAA489250B | |
| Cells Supported | 3 - 5 | 3 - 8 | 6 - 14 | 4 - 16 | 4 - 10 | 5 - 5 |
| Cell Balancing FETs | None | External (Built-in Drivers) | External (Built-in Drivers), Internal (Built-in Drivers) | External (Built-in Drivers), Internal (Built-in Drivers) | None | Internal |
| Charge/Discharge FET Location | N/A | High Side | N/A | Both | Low Side | High Side |
| Sleep/Reset Mode Current (µA) | 2 | 13 | 19 | 10 | 3 | 4 |
| Stand Alone Capable | No | State Machine | No | No | State Machine | No |
| Daisy Chain | 0 | 0 | 1 | 0 | 0 | 0 |
应用
- Power Tool Battery
- Small Appliance Battery
- Cleaner Battery
当前筛选条件