特性
- Digital compensation of sensor offset, sensitivity, temperature drift, and non-linearity
- Accommodates nearly all bridge sensors via PGA and programmable ADC
- Capable of conditioning bridge sensor signals ranging from 1mV/V to 275mV/V
- Sensor connections check and aging detection
- Temperature compensation via internal diode, external diode, or bridge sensor element
- Output options: voltage (0V to 5V), current (4mA to 20mA), PWM, I2C , SPI, ZACwire™ (one-wire interface), alarm
- Adjustable ADC resolution (up to 15-bit) versus sampling rate (up to 3.9kHz)
- Selectable bridge excitation: ratiometric voltage, constant voltage or constant current
- Input channel for separate temperature sensor
- Operation temperature range, depending on product version, up to -40 °C to +150 °C
- AEC-Q100 qualification (temperature grade 0)
- Supply voltage: +2.7V to +5.5V, with external JFET: 5V to 40V
- Available in SSOP16 or as die
描述
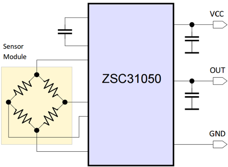
The ZSC31050 is a CMOS integrated circuit for amplification and sensor-specific correction of bridge sensor signals. The device provides digital compensation of sensor offset, sensitivity, temperature drift, and non-linearity by a 16-bit RISC microcontroller running a correction algorithm. The ZSC31050 accommodates virtually any resistive bridge sensor (e.g., piezoresistive and steel-membrane-based pressure sensors). In addition, the device can interface to a separate temperature sensor. The bidirectional digital interfaces (I2C, SPI, ZACwire™) can be used for a simple PC-controlled calibration procedure, encompassing writing and programming a set of calibration coefficients into an on-chip EEPROM. The ZSC31050 has been designed for industrial, medical, and consumer applications and is specifically suited for most pressure sensors. It can also be used with force, torque, acceleration, angle, position, and revolution sensors.
产品参数
| 属性 | 值 |
|---|---|
| Function | Resistive SSC |
| Automotive Qual. | No |
| Supply Voltage (V) | 2.7 - 40 |
| Input Type | Single-bridge |
| Interface | Ratiometric Voltage, Absolute Voltage, ZACwire™, I2C, SPI, Two PWMs, Two Alarms |
| Adj. Analog Gain | 3 - 3, 7 - 7, 9 - 9, 14 - 14, 26 - 26, 35 - 35, 52 - 52, 70 - 70, 105 - 105, 140 - 140, 210 - 210, 280 - 280, 420 - 420 |
| Resolution (bits) | 15 |
| Sample Rate Max (KHz) | 3.9 |
| Temp. Range (°C) | -25 to +85°C, -40 to +125°C, -40 to +150°C, -40 to 125°C, -40 to 150°C |
应用方框图
当前筛选条件
筛选
软件与工具
样例程序
模拟模型
A brief introduction and overview of IDT's (acquire by Renesas) sensor signal conditioner evaluation kits. Evaluation kits generally consist of three parts: a communication interface board, a device board, and a sensor simulator board - all connected together. A sophisticated software GUI accompanies the kit, enabling an engineer to learn how to use the part rapidly, do quick prototyping, and practice calibrations.
Presented by David Grice, applications engineer at IDT. For more information about IDT's sensor signal conditioner products, visit the Sensor Signal Conditioner page.